Описание испытательной установки
Описание испытательной установки.
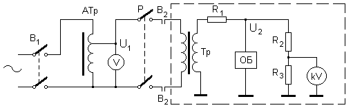
Принципиальная электрическая схема установки представлена на рис. 3. Источником напряжения промышленной частоты служит испытательный трансформатор Тр на 100 кВ (действующее значение) типа ТВО-140/50 с параметрами:
- рабочее напряжение первичной обмотки однофазного
переменного тока частотой 50 Гц - 
- рабочее(амплитудное значение) напряжения вторичной обмотки - 
- рабочий ток вторичной обмотки - 
Если Вам понравилась эта лекция, то понравится и эта - 78 Наследование земельных участков.
- потребляемая мощность не более - 5,5 кВА
- коэффициент трансформации - к т= 525

Рис. 3. Принципиальная электрическая схема установки
Напряжение Тр регулируется с помощью автотрансформатора АТР и на низковольтной стороне контролируется вольтметром V. Резистор R1 служит для защиты трансформатора от больших токов при перекрытии и пробое объекта испытаний ОБ.
Выключатель В1 служит для подачи напряжения на установку, выключатель (контактор) В2 предназначен для дистанционного включения и отключения высоковольтного трансформатора Тр, а рубильник Р - для создания видимого разрыва в цепи его питания. Высоковольтная часть установки (обведена пунктиром, рис. 3) расположена на испытательном поле, оборудованном системами защиты согласно требованиям ПТЭ и ПТБ электроустановок. Контроль напряжения на объекте испытаний выполняется киловольтметром kV, подключенным через делитель напряжения R2 - R3.






















