Тестомесильные машины
8.1 Тестомесильные машины
Процесс замеса теста должен обеспечить не только равномерное смешивание компонентов, но и механическую проработку их с целью образования специфической структуры теста.
Для замеса густой опары и теста в промышленности обычно пользуются однотипными месильными машинами, для замеса жидких опар, питательных смесей для жидких дрожжей – специальными смесителями.
Получения высококачественного теста можно достичь, если осуществлять замес при оптимальных интенсивности, длительности и температуре замеса, а также частоте воздействия месильной лопасти.
По роду работы тестомесильные машины делят на машины периодического и непрерывного действия. Первые имеют стационарные месильные ёмкости (дежи) и сменные (подкатные дежи). Дежи бывают неподвижными, со свободным и принудительным вращением. На предприятиях общественного питания для замеса теста широко используются тестомесильные машины периодического действия. Это обусловлено их универсальностью – возможностью быстрого перехода от выработки одного сорта изделий к другому и регулирования продолжительности процесса, а также точностью дозирования компонентов.
По интенсивности воздействия рабочего органа на обрабатываемую массу тестомесильные машины по А. В. Лисовенко делятся на три группы:
– обычные тихоходные, рабочий процесс не сопровождается заметным нагревом теста, на замес расходуется энергии
;
– быстроходные (машины для интенсивного замеса теста), рабочий процесс сопровождается нагревом теста на
, на замес расходуется
;
– супербыстроходные (суперинтенсивные), у которых замес сопровождается нагревом теста на
и требует устройства водяного охлаждения корпуса месильной камеры либо предварительного охлаждения воды, используемой для замеса теста, на замес расходуется
.
Рекомендуемые материалы
Величина удельной работы здесь является ориентировочной и не имеет строго разделённого ряда, поскольку может на одной и той же машине изменяться в зависимости от длительности замеса, определяемой качеством муки.
По характеру движения месильного органа бывают машины с круговым, вращательным, планетарным, сложным плоским и пространственным движением месильного органа.
Машина базовая тестомесильная типа МБТМ-140-01 (рисунок 8.1) с объёмом дежи
предназначена для механизации процесса замеса различных видов теста (дрожжевого, бездрожжевого и др.) в кондитерских и кулинарных цехах предприятий общественного питания.
|
а |
б |
| Рисунок 8.1 – Машина тестомесильная МБТМ-140-01: а – главный вид; б – вид сзади: 1 – электродвигатель; 2, 17 – клиноременная передача; 3 – корпус; 4, 7 – червячный редуктор; 5 – ролик; 6 – пост управления; 8 – крышка; 9 – месильный орган; 10 – бак; 11 – колесо поворотное; 12 – тележка; 13 – колесо неповоротное; 14 – педаль; 15 – крюки; 16 – плита опорная; 18 – ролик натяжной |
Машина состоит из опорной плиты 16, на которой установлен корпус 3 и электродвигатель 1, имеющий два конца выходного вала.
На плиту накатывается дежа, состоящая из бака 10 и тележки 12, и дотягивается к корпусу машины эксцентриковыми крюками 15, установленными на одной оси с педалью 14. Через клиноременную передачу 17 вращение через червячный редуктор 7 передаётся на месильный орган 9, а через клиноременную передачу 2, червячный редуктор 4 и ролик 5 на дежу.
Совместно с червячным редуктором 7 смонтирована крышка 8, что образует траверсу. Поворот траверсы осуществляется от индивидуального привода (на рисунке не показан), включающего электродвигатель, червячную передачу и червячный редуктор.
Дежу, бак которой заполнен исходными компонентами, закатывают на опорную плиту и фиксируют при помощи ножной педали. Посредством реле времени устанавливают необходимое время перемешивания компонентов. После нажатия кнопки «Пуск» траверса опускается по рабочего положения и включается электродвигатель привода месильного органа, одновременно приводится во вращение бак дежи. Процесс замеса осуществляется на двух скоростях: при пониженной скорости
в течение
происходит перемешивание компонентов, а затем с повышенной скоростью
протекает собственно замес.
После завершения цикла обработки отключается двигатель привода месильного органа, траверса поднимается в крайнее верхнее положение и отключается второй электродвигатель. Нажимают на педаль и откатывают дежу.
Тестомесильная машина А2-ХТМ с планетарным движением рабочего органа обеспечивает усиленную механическую обработку теста. При этом подкатная дежа ёмкостью
в процессе замеса неподвижна.
Машина (рисунок 8.2) состоит из фундаментной плиты 6, станины 1, траверсы 8 с установленными на ней механизмом поворота 7 и приводом 9 месильного органа, крышки 4, месильного органа 5, ограждения 3, поддона 2 и электрооборудования, встроенного в станину.
На фундаментной плите расположены направляющие пальцы, отверстия для установки и фиксации подкатной дежи в рабочем положении, а также электроблокировки фиксации дежи. На фундаментной плите закреплена станина с направляющими, на которые устанавливается выдвижной блок с электрооборудованием.
Траверса 8 шарнирно соединена с неподвижной осью станины 1, что обеспечивает возможность её поворота на угол
относительно неподвижной оси. Механизм поворота траверсы 7 состоит из электродвигателя, клиноременной передачи и винтовой пары. Корпус гайки имеет две оси с сухарями, соприкасающимися с рабочей поверхностью упора стойки. Вращение от электродвигателя посредством клиноременной передачи передаётся на винт, которое преобразуется во вращательное движение траверсы, так как корпус гайки винтовой пары неподвижен.
|
|
| Рисунок 8.2 – Тестомесильная машина А2-ХТМ: 1 – станина; 2 – поддон; 3 – ограждение; 4 – крышка; 5 – месильный орган; 6 – фундаментная плита; 7 – механизм поворота; 8 – траверса; 9 – привод месильного органа |
Привод 9 месильного органа состоит из электродвигателя, клиноременной передачи и планетарного редуктора. Вращение от электродвигателя посредством клиноременной передачи и планетарного редуктора передаётся месильному органу. Месильный орган совершает вращательное движение вокруг собственной оси и планетарное – вокруг оси дежи.
Планетарное движение рабочего органа может использоваться при замесе тестовых полуфабрикатов влажностью от
до
. Для маловязких полуфабрикатов вместо
-образной месильной лопасти применяется спиралевидная конструкция, которая вызывает линии тока, чрезвычайно благоприятные для их перемешивания, поскольку весь объём обрабатываемого материала находится в движении.
Для замеса крутого теста применяются тестомесильные машины (рисунок 8.3) по своей конструкции близкие к фаршемешалкам. Технологические возможности современных машин данного типа расширены, и они имеют возможность перемешивать тесто различных сортов (дрожжевого, бездрожжевого, крутого бараночного, для пельменей, кондитерских изделий), кондитерские массы, а также использоваться как фаршемешалки. Рабочим органом данных машин являются встречно вращающиеся месильные лопасти 11, чаще всего
-образные. Разгрузка дежи осуществляется путём ручного опрокидывания дежи 9 рычагом 8.
|
|
| Рисунок 8.3 – Машина тестомесильная ТММ-3: 1 – рама; 2 – электродвигатель; 3 – клиноременная передача; 4 – редуктор; 5 – цепная передача; 6 – зубчатая передача; 7 – крышка; 8 – рычаг; 9 – дежа; 10 – пост управления; 11 – месильные лопасти |
Производительность тестомесильной машины периодического действия
|
| 8.1 |
где
– масса загружаемого в дежу продукта,
;
– продолжительность цикла обработки порции продукта,
;
– коэффициент использования объёма дежи или корыта, для машин с подкатными дежами
, для машин со стационарной ёмкостью
;
– плотность теста (до брожения) или полуфабриката,
;
– вместимость дежи или месильного корыта,
;
,
– время, расходуемое соответственно на загрузку и разгрузку продукта, а также на отмеривание, засыпку муки, налив жидких рецептурных компонентов, подкатку и откатку дежи и т. д.,
;
– время, расходуемое на замес теста,
.
Время, необходимое для проведения вспомогательных операций
, можно принимать в пределах
.
Объём дежи, представляющей собой усечённый конус с усечённым параболоидом, определяется по формуле:
|
| 8.2 |
где
– объём усечённого конуса,
;
– объём усечённого параболоида,
;
– большой диаметр усечённого конуса,
;
– меньший диаметр усечённого конуса,
;
– высота усечённого конуса,
;
– высота усечённого параболоида,
;
– диаметр днища дежи,
.
Для обеспечения печей тестовыми заготовками производительность тестомесильных машин можно определять по формуле:
|
| 8.3 |
где
– производительность печи по горячим изделиям,
;
– упёк,
к горячей продукции;
– коэффициент, учитывающий возможные остановки машины на регулировку и очистку, для машин периодического действия
.
Технологическая мощность тестомесильных машин периодического действия рассчитывается по формуле:
|
| 8.4 |
где
– мощность, необходимая для вращения месильного органа при замесе теста,
;
– мощность, необходимая для вращения дежи,
.
Первое слагаемое равно
|
| 8.5 |
где
– максимальный радиус вращения месильного органа,
;
– угловая скорость вращения месильного органа,
.
Мощность, необходимая для вращения дежи составляет
|
| 8.6 |
где
– коэффициент трения вала дежи в опорах,
;
– радиус цапфы вала дежи,
;
– угловая скорость вращения дежи,
;
– масса дежи,
.
Ориентировочно мощность тихоходных тестомесильных машин
|
| 8.7 |
где
– количество месильных органов, 
Средняя мощность, потребляемая электродвигателем тестомесильной машины периодического действия,
|
| 8.8 |
где
– удельная работа замеса теста,
;
– КПД приводного механизма;
– КПД электродвигателя,
.
Технологическую мощность тестомесильных машин периодического действия можно также рассчитывать по формуле:
|
| 8.9 |
где
– мощность, необходимая для подъёма теста месильным рычагом,
;
– мощность, необходимая для преодоления сил сцепления продукта со стенкой дежи,
;
– мощность, необходимая для вращения дежи при замесе теста,
.
Первое слагаемое рассчитывается по формуле:
|
| 8.10 |
Мощность
равна
|
| 8.11 |
где
– площадь стенок дежи, на которых лопастью преодолевается сопротивление сил сцепления теста со стенками,
;
– удельное сопротивление сил сцепления продукта со стенками дежи,
,
.
Площадь стенок дежи
|
| 8.12 |
где
– длина образующей конуса,
.
Мощность, необходимая для вращения дежи при замесе теста, рассчитывается по формуле (8.5) в
.
Мощность для привода тестомесильных машин с горизонтальным или вертикальным расположением рабочих органов можно определять по величине расхода энергии на замес:
|
| 8.13 |
где
– баланс энергозатрат,
;
– частота вращения вала месильной лопасти,
;
– КПД привода.
Баланс энергозатрат за один цикл месильной лопасти складывается из работы
, расходуемой на перемешивание массы, работы
на перемещение лопастей, работы
, расходуемой на нагрев теста и соприкасающихся с ним металлических частей машины, работы
, расходуемой на изменение структуры теста.
Работа, расходуемая на перемешивание массы
|
| 8.14 |
где
– количество месильных лопастей на валу,
;
– ширина лопасти,
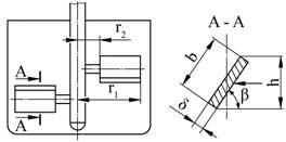
(рисунок 8.4);
– угол наклона лопасти к оси вала,
;
,
– соответственно, наибольший и наименьший радиусы окружностей, описываемых лопастью,
;
– коэффициент подачи теста, показывающий, какая доля теста, захваченная лопастью, перемещается в осевом направлении,
;
– шаг установки лопастей,
.
|
|
| Рисунок 8.4 – Расчётная схема месильной лопасти |
Работа, расходуемая на перемещение лопастей
|
| 8.15 |
где
– толщина лопасти,
;
– плотность материала лопасти,
.
Работа, расходуемая на нагрев
|
| 8.16 |
где
,
– соответственно масса теста в деже и масса металлоконструкции машины, находящейся в контакте с тестом,
;
,
– средние теплоёмкости, соответственно, теста и металла,
;
,
– температуры теста соответственно в начале и конце процесса замеса,
;
,
– температуры металлоконструкции машины, находящейся в контакте с тестом, соответственно, в начале и конце процесса замеса,
.
Работа, расходуемая на изменение структуры теста
|
| 8.17 |
Тестомесильные машины типа ТММ-1М имеют месильную лопасть в виде скребка, выгнутого в соответствии с профилем днища и стенок дежи. Движение лопасти имеет пространственную траекторию в виде конуса, при которой происходит подъём лопасти выше верхней кромки дежи, то есть она выходит из теста. Для расчёта мощности такого типа тестомесильных машин Л. П. Проничкина предлагает следующую методику.
Мощность, необходимая для работы месильного органа при замесе теста
|
| 8.18 |
где
– мощность, зависящая от лобового сопротивления при внедрении лопасти в тесто (горизонтальная плоскость),
;
– мощность, необходимая для подъёма какого-либо объёма теста при выходе лопасти из теста,
.
Первое слагаемое рассчитывается по формуле:
|
| 8.19 |
здесь
– удельное давление на тесто в процессе замеса (пластификации),
,
,
– площадь лопасти,
;
– радиус окружности, по которой движется лопасть (основание конуса, образованного при вращении лопасти),
.
Мощность
рассчитывается по формуле:
|
| 8.20 |
где
– вес теста, захватываемого лопастью при подъёме вверх,
;
– вес лопасти,
.
Вес захватываемого лопастью теста
|
| 8.21 |
где
– коэффициент лобового сопротивления, зависящий от соотношения частот вращения лопасти и дежи,
;
– коэффициент захвата теста лопастью, зависящий от вязкости и липкости теста,
;
– высота подъёма теста лопастью,
, обычно
.
Мощность, необходимая для вращения дежи при замесе теста,
|
| 8.22 |
где
– мощность, необходимая для преодоления сил трения в опорах дежи,
;
– мощность, необходимая для преодоления сил сопротивления теста движению дежи (силы смятия),
.
Первое слагаемое равно:
| Бесплатная лекция: "Языческие верования" также доступна.
| 8.23 |
Мощность, необходимая для преодоления сил сопротивления
|
| 8.24 |
где
– приведённый радиус сопротивления движению лопасти относительно продольной оси дежи при замесе теста,
.







,
,
,
,
,
,
,
,
,
.
,
,
,
,
,
,
.
,
,
,
,
,
.
,

















