Информационно-логические основы построения
4.1. ИНФОРМАЦИОННО-ЛОГИЧЕСКИЕ ОСНОВЫ ПОСТРОЕНИЯ
ПРЕДСТАВЛЕНИЕ ИНФОРМАЦИИ В ЭВМ
Системы счисления и формы представления чисел
Информация в ЭВМ кодируется, как правило, в двоичной или в двоично-десятичной системе счисления.
Система счисления — это способ наименования и изображения чисел с помощью символов, имеющих определенные количественные значения.
В зависимости от способа изображения чисел системы счисления делятся на позиционные и непозиционные.
В позиционной системе счисления количественное значение каждой цифры зависит от ее места (позиции) в числе. В непозиционной системе счисления цифры не меняют своего количественного значения при изменении их расположения в числе. Количество (Р) различных цифр, используемых для изображения числа в позиционной системе счисления, называется основанием системы счисления. Значения цифр лежат в пределах от 0 до Р-1. В общем случае запись любого смешанного числа в системе счисления с основанием Р будет представлять собой ряд вида:
ат-1Рт-1 + аm-2Рm-2 + ... + а1Р 1+aoP° + a-1P-1+a-2P-2 + .. . + a-SP-S (1)
где нижние индексы определяют местоположение цифры в числе (разряд):
Рекомендуемые материалы
• положительные значения индексов — для целой части числа (т разрядов);
• отрицательные значения — для дробной (s разрядов).
Пример 4.1. Позиционная система счисления — арабская десятичная система, в которой: основание P=10, для изображения чисел используются 10 цифр (от 0 до 9). Непозиционная система счисления — римская, в которой для каждого числа используется специфическое сочетание символов (XIV, CXXVII и т.п.).
Максимальное целое число, которое может быть представлено в т разрядах:
Nmax=Pm–1
Минимальное значащее (не равное 0) число, которое можно записать в s разрядах дробной части:
Nmax=PS.
Имея в целой части числа т, а в дробной s разрядов, можно записать всего Р m+S разных чисел.
Двоичная система счисления имеет основание Р = 2 и использует для представления информации всего две цифры: 0 и 1. Существуют правила перевода чисел из одной системы счисления в другую, основанные в том числе и на соотношении (1).
Пример 4.2.
101110,101(2) = 1∙25+0∙24+1∙23+1∙22+1∙21+0∙2°+1∙2-1+0∙2-2+1∙2-3 = 46,625(10), т.е. двоичное число 101110,101 равно десятичному числу 46,625.
В вычислительных машинах применяются две формы представления двоичных чисел:
• естественная форма или форма с фиксированной запятой (точкой);
• нормальная форма или форма с плавающей запятой (точкой).
С фиксированной запятой все числа изображаются в виде последовательности цифр с постоянным для всех чисел положением запятой, отделяющей целую часть от дробной.
Пример 4.3. В десятичной системе счисления имеются 5 разрядов в целой части числа (до запятой) и 5 разрядов в дробной части числа (после запятой); числа, записанные в такую разрядную сетку, имеют вид:
+00721,35500; +00000,00328; -10301,20260.
Эта форма наиболее проста, естественна, но имеет небольшой диапазон представления чисел и поэтому не всегда приемлема при вычислениях.
Пример 4.4. Диапазон значащих чисел (N) в системе счисления с основанием Р при наличии т разрядов в целой части и s разрядов в дробной части числа (без учета знака числа) будет:
P-S ≤ N ≤ Pm-P-S.
При P = 2, m=10 и S = 6: 0,015≤ N ≤1024.
Если в результате операции получится число, выходящее за допустимый диапазон, происходит переполнение разрядной сетки, и дальнейшие вычисления теряют смысл. В современных ЭВМ естественная форма представления используется как вспомогательная и только для целых чисел.
С плавающей запятой каждое число изображается в виде двух групп цифр. Первая группа цифр называется мантиссой, вторая — порядком, причем абсолютная величина мантиссы должна быть меньше 1, а порядок — целым числом. В общем виде число в форме с плавающей запятой может быть представлено так:
N=±MP±r,
где М—мантисса числа (│М│ < 1);
r — порядок числа (r — целое число);
Р — основание системы счисления.
Пример 4.5. Приведенные в примере 4.3 числа в нормальной форме запишутся так: +0,721355*103 ; +0,328*10-3 ; -0,103012026*105.
Нормальная форма представления имеет огромный диапазон отображения чисел и является основной в современных ЭВМ.
Пример 4.6. Диапазон значащих чисел в системе счисления с основанием Р при наличии т разрядов у мантиссы и 5 разрядов у порядка (без учета знаковых разрядов порядка и мантиссы) будет:
P-m P-(Ps-1)≤ N ≤ (1-P-m)P(Ps-1)
При Р = 2, m = 10 и s = 6 диапазон чисел простирается примерно от 10 -19 до 1019.
Знак числа обычно кодируется двоичной цифрой, при этом код 0 означает знак "+", код 1 — знак "-".
Примечание. Для алгебраического представления чисел (т.е. для представления положительных и отрицательных чисел) в машинах используются специальные коды: прямой, обратный и дополнительный. Причем два последних позволяют заменить неудобную для ЭВМ операцию вычитания на операцию сложения с отрицательным числом; дополнительный код обеспечивает более быстрое выполнение операций, поэтому в ЭВМ применяется чаще именно он.
Двоично-десятичная система счисления получила большое распространение в современных ЭВМ ввиду легкости перевода в десятичную систему и обратно. Она используется там, где основное внимание уделяется не простоте технического построения машины, а удобству работы пользователя. В этой системе счисления все десятичные цифры отдельно кодируются четырьмя двоичными цифрами (табл. 4.1) и в таком виде записываются последовательно друг за другом.
Таблица 4.1. Таблица двоичных кодов десятичных и шестнадцатеричных цифр
| Цифра | 0 | 1 | 2 | 3 | 4 | 5 | 6 | 7 | 8 | 9 | А | В | С | D | Е | F |
| Код | 0000 | 0001 | 0010 | 0011 | 0100 | 0101 | 0110 | 0111 | 1000 | 1001 | 1010 | 1011 | 1100 | 1101 | 1110 | 1111 |
Пример 4.7. Десятичное число 9703 в двоично-десятичной системе выглядит так: 1001011100000011.
При программировании иногда используется шестнадцатеричная система счисления, перевод чисел из которой в двоичную систему счисления весьма прост — выполняется поразрядно (полностью аналогично переводу из двоично-десятичной системы).
Для изображения цифр, больших 9, в шестнадцатеричной системе счисления применяются буквы А = 10, В = 11, С = 12, D = 13, Е = 14, F = 15.
Пример 4.8. Шестнадцатеричное число F17B в двоичной системе выглядит так: 1111000101111011.
Варианты представления информации в ПК
Вся информация (данные) представлена в виде двоичных кодов. Для удобства работы введены следующие термины, обозначающие совокупности двоичных разрядов (табл. 4.2). Эти термины обычно используются в качестве единиц измерения объемов информации, хранимой или обрабатываемой в ЭВМ.
Таблица 4.2. Двоичные совокупности
| Количество двоичных разрядов в группе | 1 | 8 | 16 | 8*1024 | 8*10242 | 8*10243 | 8*10244 |
| Наименование единицы измерения | Бит | Байт | Параграф | Килобайт (Кбайт) | Мегабайт (Мбайт) | Гигабайт (Гбайт) | Терабайт (Тбайт) |
Последовательность нескольких битов или байтов часто называют полем данных. Биты в числе (в слове, в поле и т.п.) нумеруются справа налево, начиная с 0-го разряда.
В ПК могут обрабатываться поля постоянной и переменной длины.
Поля постоянной длины:
слово — 2 байта двойное слово — 4 байта
полуслово — 1 байт расширенное слово — 8 байт
слово длиной 10 байт — 10 байт
Числа с фиксированной запятой чаще всего имеют формат слова и полуслова, числа с плавающей запятой — формат двойного и расширенного слова.
Поля переменной длины могут иметь любой размер от 0 до 256 байт, но обязательно равный целому числу байтов.
Пример 4.9. Структурно запись числа -193(10) = -11000001(2) в разрядной сетке ПК
выглядит следующим образом.
Число с фиксированной запятой формата слово со знаком:
| Знак числа | Абсолютная величина числа | |||||||||||||||
| N разряда | 15 | 14 | 13 | 12 | 11 | 10 | 9 | 8 | 7 | 6 | 5 | 4 | 3 | 2 | 1 | 0 |
| Число | 1 | 0 | 0 | 0 | 0 | 0 | 0 | 0 | 1 | 1 | 0 | 0 | 0 | 0 | 0 | 1 |
Число с плавающей запятой формата двойное слово:
| Знак числа | Порядок | Мантисса | ||||||||||||||||||
| N разряда | 31 | 30 | 29 | 28 | 27 | 26 | 25 | 24 | 23 | 22 | 21 | 20 | 19 | 18 | 17 | 16 | 15 | ... | 1 | 0 |
| Число | 1 | 0 | 0 | 0 | 1 | 0 | 0 | 0 | 1 | 1 | 0 | 0 | 0 | 0 | 0 | 1 | 0 | 0 | 0 |
Двоично-кодированные десятичные числа могут быть представлены в ПК полями переменной длины в так называемых упакованном и распакованном форматах.
В упакованном формате для каждой десятичной цифры отводится по 4 двоичных разряда (полбайта), при этом знак числа кодируется в крайнем правом полубайте числа (1100 — знак "+" и 1101 — знак "-").
Структура поля упакованного формата:
| Цф | Цф | Цф | Цф | … | Цф | Знак |
байт
Здесь и далее: Цф — цифра, Знак — знак числа.
Упакованный формат используется обычно в ПК при выполнении операций сложения и вычитания двоично-десятичных чисел.
В распакованном формате для каждой десятичной цифры отводится по целому байту, при этом старшие полубайты (зона) каждого байта (кроме самого младшего) в ПК заполняются кодом 0011 (в соответствии с ASCII-кодом), а в младших (левых) полубайтах обычным образом кодируются десятичные цифры. Старший полубайт (зона) самого младшего (правого) байта используется для кодирования знака числа.
Структура поля распакованного формата:
| зона | Цф | зона | Цф | … | знак | Цф |
Распакованный формат используется в ПК при вводе-выводе информации в ПК, а также при выполнении операций умножения и деления двоично-десятичных чисел.
Пример 4.10. Число -193(10) = -000110010011 (2-10) в ПК будет представлено:
в упакованном формате —
| 0001 | 1001 | 0011 | 1101 |
в распакованном формате —
| 0011 | 0001 | 0011 | 1001 | 1101 | 0011 |
Коды ASCII
Распакованный формат представления двоично-десятичных чисел (иногда его называют "зонный") является следствием использования в ПК ASCII-кода для представления символьной информации.
Код ASCII (American Standard Code for Information Interchange — Американский стандартный код для обмена информацией) имеет основной стандарт и его расширение (табл. 4.3). Основной стандарт для кодирования символов использует шестнадцатеричные коды 00 - 7F, расширение стандарта — 80 - FF. Основной стандарт является международным и используется для кодирования управляющих символов, цифр и букв латинского алфавита; в расширении стандарта кодируются символы псевдографики и буквы национального алфавита (естественно, в разных странах разные).
Таблица 4.3. Таблица кодов ASCII

ЛОГИЧЕСКИЕ ОСНОВЫ ПОСТРОЕНИЯ ПК
Основы алгебры логики
Для анализа и синтеза схем в ЭВМ при алгоритмизации и программировании решения задач широко используется математический аппарат алгебры логики.
Алгебра логики — это раздел математической логики, значения всех элементов (функций и аргументов) которой определены в двухэлементном множестве: 0 и 1. Алгебра логики оперирует с логическими высказываниями.
Высказывание — это любое предложение, в отношении которого имеет смысл утверждение о его истинности или ложности. При этом считается, что высказывание удовлетворяет закону исключенного третьего, т.е. каждое высказывание или истинно, или ложно и не может быть одновременно и истинным, и ложным.
Пример 4.11. Высказывания: "Сейчас идет снег" — это утверждение может быть истинным или ложным; "Вашингтон — столица США" — истинное утверждение; "Частное от деления 10 на 2 равно 3" — ложное утверждение.
В алгебре логики все высказывания обозначают буквами а, b, с и т.д. Содержание высказываний учитывается только при введении их буквенных обозначений, и в дальнейшем над ними можно производить любые действия, предусмотренные данной алгеброй. Причем если над исходными элементами алгебры выполнены некоторые разрешенные в алгебре логики операции, то результаты операций также будут элементами этой алгебры.
Простейшими операциями в алгебре логики являются операции логического сложения (иначе, операция ИЛИ, операция дизъюнкции) и логического умножения (иначе, операция И, операция конъюнкции). Для обозначения операции логического сложения используют символы + или
, а логического умножения — символы * или
.
Правила выполнения операций в алгебре логики определяются рядом аксиом, теорем и следствий.
В частности, для алгебры логики выполняются законы:
1) сочетательный:
(а + b) + с = а + (b + с);
(a*b)*c = a*(b*c);
2) переместительный:
а + b = b + а;
а * b = b * а;
3) распределительный:
a*(b + c) = a* b + a*c;
a + b*c = a* b + a*c.
Справедливы соотношения:
а + а = а; a + b = b, если а <b;
а* а = а; а* b = а, если а < b;
а + а* b = a; a + b = b, если а > b
a + b = a, если а > Ь; и др.
Наименьшим элементом алгебры логики является 0, наибольшим элементом — 1. В алгебре логики также вводится еще одна операция — операция отрицания (иначе, операция НЕ, операция инверсии), обозначаемая чертой над элементом.
По определению: а +
=1, а*
= 0,
=1,
=0.
Справедливы, например, такие соотношения:
= а,
=
,
=
+
.
Функция в алгебре логики — это алгебраическое выражение, содержащее элементы алгебры логики а, b, с ..., связанные между собой операциями, определенными в этой алгебре.
Пример 4.12. Примеры логических функций:
f(a,b,c) = а + а*b*с + а+с;
f(a,b,c) = а*b +
*с +
*b*с
Согласно теоремам разложения функций на конституэнты (составляющие) любая функция может быть разложена на конституэнты "1":
f(a) = f(1)*a + f(0)*
;
f(a,b) = f(1,b)*a + f(0,b)*
= f(1,1)*a*a + f(1,0)*a*
+ f(0,1)*
*b + f(0,0)*
*
и т.д.
Эти соотношения используются для синтеза логических функций и вычислительных схем.
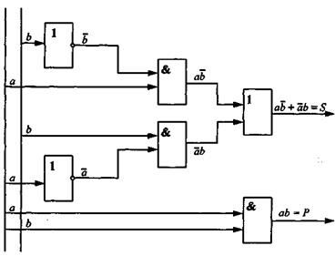
Логический синтез вычислительных схем
Рассмотрим логический синтез (создание) вычислительных схем на примере одноразрядного двоичного сумматора, имеющего два входа ("а" и "b") и два выхода ("S" и "Рп) и выполняющего операцию сложения в соответствии с заданной таблицей:
| а | b | f1 (a,b) = S | f2 (a,b)=Р |
| 0 | 0 | 0 | 0 |
| 0 | 1 | 1 | 0 |
| 1 | 0 | 1 | 0 |
| 1 | 1 | 0 | 1 |
Где f1(a,b) = S — значение цифры суммы в данном разряде;
f2(a,b) = P — цифра переноса в следующий (старший) разряд.
Согласно соотношению (2), можно записать:
S =f1(a,b) = 0*a*b + 1 *
*b + 1 *а*
+ 0*
*
=
*b + а*
;
Р =f2(a,b) = 1*а*b + 0*
*b + 0*а*
+ 0*
*
= а*b.
Логическая схема сумматора, реализующего полученную функцию, представлена на рис. 4.1.
|
|
Рис.4.1. Логическая схема сумматора
Здесь изображены логические блоки в соответствии с международным стандартом:
|
|
Примечания: 1. В ряде случаев перед построением логической схемы устройства по логической функции последнюю, пользуясь соотношениями алгебры логики, следует преобразовать к более простому виду (минимизировать). 2. Для логических схем ИЛИ, И и НЕ существуют типовые технические схемы, реализующие их на реле, электронных лампах, дискретных полупроводниковых элементах. Для построения современных ЭВМ обычно применяются системы интегральных элементов, у которых с целью большей унификации в качестве базовой логической схемы используется всего одна из схем: И — НЕ (штрих Шеффера), ИЛИ — НЕ (стрелка Пирса) или И — ИЛИ — НЕ.
ПРОГРАММНОЕ УПРАВЛЕНИЕ ЭВМ
Структура и виды команд
Решение задач на ЭВМ реализуется программным способом, т. е. путем выполнения последовательно во времени отдельных операций над информацией, предусмотренных алгоритмом решения задачи.
Алгоритм — это точно определенная последовательность действий, которые необходимо выполнить над исходной информацией, чтобы получить решение задачи.
Алгоритм решения задачи, заданный в виде последовательности команд на языке вычислительной машины (в кодах машины), называется машинной программой.
Команда машинной программы (иначе, машинная команда) — это элементарная инструкция машине, выполняемая ею автоматически без каких-либо дополнительных указаний и пояснений.
Машинная команда состоит из двух частей: операционной и адресной.
Операционная часть команды — это группа разрядов в команде, предназначенная для представления кода операции машины.
Адресная часть команды — это группа разрядов в команде, в которых записываются коды адреса (адпесов) ячеек памяти машины, предназначенных для оперативного хранения информации, или иных объектов, задействованных при выполнении команды. Часто эти адреса называются адресами операндов, т. е. чисел, участвующих в операции.
По количеству адресов, записываемых в команде, команды делятся на безадресные,
одно-, двух- и трехадресные.
Типовая структура трехадресной команды:
| КОП | а1 | а2 | а3 |
где КОП — код операции;
al и а2 — адреса ячеек (регистров), где расположены соответственно первое и второе числа, участвующие в операции;
а3 — адрес ячейки (регистра), куда следует поместить число, полученное в результате выполнения операции.
Типовая структура двухадресной команды:
| КОП | а1 | а2 |
где al — это обычно адрес ячейки (регистра), где хранится первое из чисел, участвующих в операции, и куда после завершения операции должен быть записан результат операции; а2 — обычно адрес ячейки (регистра), где хранится второе участвующее в операции число.
Типовая структура одноадресной команды:
| КОП | а1 |
где al — в зависимости от модификации команды может обозначать либо адрес ячейки (регистра), где хранится одно из чисел, участвующих в операции, либо адрес ячейки ( регистра), куда следует поместить число — результат операции.
Безадресная команда содержит только код операции, а информация для нее должна быть заранее помещена в определенные регистры машины (безадресные команды могут использоваться только совместно с командами другой адресности).
Пример 4.13. Поступила представленная на языке символического кодирования команда:
| СЛ | 0103 | 5102 |
Такую команду следует расшифровать так: "сложить число, записанное в ячейке 0103 памяти, с числом, записанным в ячейке 5102, а затем результат (т.е. сумму) поместить в ячейку 0103".
Примечание. В кодах машины такая команда содержит только двоичные цифры записанных выше объектов.
Состав машинных команд
Современные ЭВМ автоматически выполняют несколько сотен различных команд. Например, стандартный набор современных ПК содержит около 240 машинных команд. Все машинные команды можно разделить на группы по видам выполняемых операций:
операции пересылки информации внутри ЭВМ;
арифметические операции над информацией;
логические операции над информацией;
операции обращения к внешним устройствам ЭВМ;
операции передачи управления;
обслуживающие и вспомогательные операции.
Пояснения требуют операции передачи управления (иначе ветвления программы), которые служат для изменения естественного порядка выполнения команд. Бывают операции безусловной передачи управления и операции условной передачи управления.
Операции безусловной передачи управления требуют выполнения после данной команды не следующей по порядку, а той, адрес которой в явном или неявном виде указан в адресной части.
Операции условной передачи управления требуют тоже передачи управления по адресу, указанному в адресной части команды, но только в том случае, если выполняется некоторое заранее оговоренное для этой команды условие. Это условие в явном или неявном виде указано в коде операции.
4.2. ФУНКЦИОНАЛЬНО-СТРУКТУРНАЯ ОРГАНИЗАЦИЯ
ОСНОВНЫЕ БЛОКИ ПК И ИХ НАЗНАЧЕНИЕ
Понятие архитектуры и структуры
Архитектура компьютера обычно определяется совокупностью ее свойств, существенных для пользователя. Основное внимание при этом уделяется структуре и функциональным возможностям машины, которые можно разделить на основные и дополнительные.
Основные функции определяют назначение ЭВМ: обработка и хранение информации, обмен информацией с внешними объектами. Дополнительные функции повышают эффективность выполнения основных функций: обеспечивают эффективные режимы ее работы, диалог с пользователем, высокую надежность и др. Названные функции ЭВМ реализуются с помощью ее компонентов: аппаратных и программных средств.
Структура компьютера — это некоторая модель, устанавливающая состав, порядок и принципы взаимодействия входящих в нее компонентов.
Персональный компьютер — это настольная или переносная ЭВМ, удовлетворяющая требованиям общедоступности и универсальности применения. Достоинствами ПК являются:
• малая стоимость, находящаяся в пределах доступности для индивидуального покупателя;
• автономность эксплуатации без специальных требований к условиям окружающей
среды;
• гибкость архитектуры, обеспечивающая ее адаптивность к разнообразным применениям в сфере управления, науки, образования, в быту;
• "дружественность" операционной системы и прочего программного обеспечения, обусловливающая возможность работы с ней пользователя без специальной профессиональной подготовки;
• высокая надежность работы (более 5 тыс. ч наработки на отказ).
Структура персонального компьютера
Рассмотрим состав и назначение основных блоков ПК (рис. 4.2).
Примечание. Здесь и далее организация ПК рассматривается применительно к самым распространенным в настоящее время IBM PC-подобным компьютерам.
|
|
| Канал связи |
Рис. 4.2. Структурная схема персонального компьютера
Микропроцессор (МП). Это центральный блок ПК, предназначенный для управления работой всех блоков машины и для выполнения арифметических и логических операций над информацией.
В состав микропроцессора входят:
• устройство управления (УУ) — формирует и подает во все блоки машины в нужные моменты времени определенные сигналы управления (управляющие импульсы), обусловленные спецификой выполняемой операции и результатами предыдущих операций; формирует адреса ячеек памяти, используемых выполняемой операцией, и передает эти адреса в соответствующие блоки ЭВМ; опорную последовательность импульсов устройство управления получает от генератора тактовых импульсов;
• арифметико-логическое устройство (АЛУ) — предназначено для выполнения всех арифметических и логических операций над числовой и символьной информацией (в некоторых моделях ПК для ускорения выполнения операций к АЛУ подключается дополнительный математический сопроцессор);
• микропроцессорная память (МПП) — служит для кратковременного хранения, записи и выдачи информации, непосредственно используемой в вычислениях в ближайшие такты работы машины. МПП строится на регистрах и используется для обеспечения высокого быстродействия машины, ибо основная память (ОП) не всегда обеспечивает скорость записи, поиска и считывания информации, необходимую для эффективной работы быстродействующего микропроцессора. Регистры — быстродействующие ячейки памяти различной длины (в отличие от ячеек ОП, имеющих стандартную длину 1 байт и более низкое быстродействие);
• интерфейсная система микропроцессора — реализует сопряжение и связь с другими устройствами ПК; включает в себя внутренний интерфейс МП, буферные запоминающие регистры и схемы управления портами ввода-вывода (ПВВ) и системной шиной. Интерфейс (interface) — совокупность средств сопряжения и связи устройств компьютера, обеспечивающая их эффективное взаимодействие. Порт ввода-вывода (I/O — Input/Output port) — аппаратура сопряжения, позволяющая подключить к микропроцессору другое устройство ПК.
Генератор тактовых импульсов. Он генерирует последовательность электрических импульсов; частота генерируемых импульсов определяет тактовую частоту машины.
Промежуток времени между соседними импульсами определяет время одного такта работы машины или просто такт работы машины.
Частота генератора тактовых импульсов является одной из основных характеристик персонального компьютера и во многом определяет скорость его работы, ибо каждая операция в машине выполняется за определенное количество тактов:
Системная шина. Это основная интерфейсная система компьютера, обеспечивающая сопряжение и связь всех его устройств между собой.
Системная шина включает в себя:
• кодовую шину данных (КШД), содержащую провода и схемы сопряжения для параллельной передачи всех разрядов числового кода (машинного слова) операнда;
• кодовую шину адреса (КША), включающую провода и схемы сопряжения для параллельной передачи всех разрядов кода адреса ячейки основной памяти или порта ввода-вывода внешнего устройства;
• кодовую шину инструкций (КШИ), содержащую провода и схемы сопряжения для
передачи инструкций (управляющих сигналов, импульсов) во все блоки машины;
• шину питания, имеющую провода и схемы сопряжения для подключения блоков ПК к
системе энергопитания.
Системная шина обеспечивает три направления передачи информации:
1) между микропроцессором и основной памятью;
2) между микропроцессором и портами ввода-вывода внешних устройств;
3) между основной памятью и портами ввода-вывода внешних устройств (в режиме
прямого доступа к памяти).
Все блоки, а точнее их порты ввода-вывода, через соответствующие унифицированные разъемы (стыки) подключаются к шине единообразно: непосредственно или через контроллеры (адаптеры). Управление системной шиной осуществляется микропроцессором либо непосредственно, либо, что чаще, через дополнительную микросхему — контроллер шины, формирующий основные сигналы управления. Обмен информацией между внешними устройствами и системной шиной выполняется с использованием ASCII-кодов.
Основная память (ОП). Она предназначена для хранения и оперативного обмена информацией с прочими блоками машины. ОП содержит два вида запоминающих устройств: постоянное запоминающее устройство (ПЗУ) и оперативное запоминающее устройство (ОЗУ).
ПЗУ служит для хранения неизменяемой (постоянной) программной и справочной информации, позволяет оперативно только считывать хранящуюся в нем информацию (изменить информацию в ПЗУ нельзя).
ОЗУ предназначено для оперативной записи, хранения и считывания информации (программ и данных), непосредственно участвующей в информационно-вычислительном процессе, выполняемом ПК в текущий период времени. Главными достоинствами оперативной памяти являются ее высокое быстродействие и возможность обращения к каждой ячейке памяти отдельно (прямой адресный доступ к ячейке). В качестве недостатка ОЗУ следует отметить невозможность сохранения информации в ней после выключения питания машины (энергозависимость).
Внешняя память. Она относится к внешним устройствам ПК и используется для долговременного хранения любой информации, которая может когда-либо потребоваться для решения задач. В частности, во внешней памяти хранится все программное обеспечение компьютера. Внешняя память содержит разнообразные виды запоминающих устройств, но наиболее распространенными, имеющимися практически на любом компьютере, являются накопители на жестких (НЖМД) и гибких (НГМД) магнитных дисках.
Назначение этих накопителей — хранение больших объемов информации, запись и выдача хранимой информации по запросу в оперативное запоминающее устройство. Различаются НЖМД и НГМД лишь конструктивно, объемами хранимой информации и временем поиска, записи и считывания информации.
В качестве устройств внешней памяти используются также запоминающие устройства на кассетной магнитной ленте (стриммеры), накопители на оптических дисках (CD-ROM — Compact Disk Read Only Memory — компакт-диск с памятью, только читаемой) и др.
Источник питания. Это блок, содержащий системы автономного и сетевого энергопитания ПК.
Таймер. Это внутримашинные электронные часы, обеспечивающие при необходимости автоматический съем текущего момента времени (год, месяц, часы, минуты, секунды и доли секунд). Таймер подключается к автономному источнику питания — аккумулятору и при отключении машины от сети продолжает работать.
Внешние устройства (ВУ). Это важнейшая составная часть любого вычислительного комплекса. Достаточно сказать, что по стоимости ВУ иногда составляют 50 - 80% всего ПК. От состава и характеристик ВУ во многом зависят возможность и эффективность применения ПК в системах управления и в народном хозяйстве в целом.
ВУ ПК обеспечивают взаимодействие машины с окружающей средой: пользователями, объектами управления и другими ЭВМ. ВУ весьма разнообразны и могут быть классифицированы по ряду признаков. Так, по назначению можно выделить следующие виды ВУ:
• внешние запоминающие устройства (ВЗУ) или внешняя память ПК;
• диалоговые средства пользователя;
• устройства ввода информации;
• устройства вывода информации;
• средства связи и телекоммуникации.
Диалоговые средства пользователя включают в свой состав видеомониторы (дисплеи), реже пультовые пишущие машинки (принтеры с клавиатурой) и устройства речевого ввода-вывода информации.
Видеомонитор (дисплеи) — устройство для отображения вводимой и выводимой из ПК информации.
Устройства речевого ввода-вывода относятся к быстроразвивающимся средствам мультимедиа. Устройства речевого ввода — это различные микрофонные акустические системы, "звуковые мыши", например, со сложным программным обеспечением, позволяющим распознавать произносимые человеком буквы и слова, идентифицировать их и закодировать.
Устройства речевого вывода — это различные синтезаторы звука, выполняющие преобразование цифровых кодов в буквы и слова, воспроизводимые через громкоговорители (динамики) или звуковые колонки, подсоединенные к компьютеру.
К устройствам ввода информации относятся:
• клавиатура — устройство для ручного ввода числовой, текстовой и управляющей информации в ПК;
• графические планшеты (диджитайзеры)— для ручного ввода графической информации, изображений путем перемещения по планшету специального указателя (пера); при перемещении пера автоматически выполняются считывание координат его местоположения и ввод этих координат в ПК;
• сканеры (читающие автоматы) — для автоматического считывания с бумажных носителей и ввода в ПК машинописных текстов, графиков, рисунков, чертежей; в устройстве кодирования сканера в текстовом режиме считанные символы после сравнения с эталонными контурами специальными программами преобразуются в коды ASCII, а в графическом режиме считанные графики и чертежи преобразуются в последовательности двухмерных координат;
• манипуляторы (устройства указания): джойстик — рычаг, мышь, трекбол —шар в оправе, световое перо и др. — для ввода графической информации на экрандисплея путем управления движением курсора по экрану с последующим кодированием координат курсора и вводом их в ПК;
• сенсорные экраны — для ввода отдельных элементов изображения, программ или команд с поля экрана дисплея в ПК.
К устройствам вывода информации относятся:
• принтеры — печатающие устройства для регистрации информации на бумажный носитель;
• графопостроители (плоттеры) — для вывода графической информации (графиков, чертежей, рисунков) из ПК на бумажный носитель; плоттеры бывают векторные с вычерчиванием изображения с помощью пера и растровые: термографические, электростатические, струйные и лазерные. По конструкции плоттеры подразделяются на планшетные и барабанные. Основные характеристики всех плоттеров примерно одинаковые: скорость вычерчивания — 100 - 1000 мм/с, у лучших моделей возможны цветное изображение и передача полутонов; наибольшая разрешающая способность и четкость изображения у лазерных плоттеров, но они самые дорогие. Устройства связи и телекоммуникации используются для связи с приборами и другими средствами автоматизации (согласователи интерфейсов, адаптеры, цифро-аналоговые и аналого-цифровые преобразователи и т.п.) и для подключения ПК к каналам связи, к другим ЭВМ и вычислительным сетям (сетевые интерфейсные платы, "стыки",мультиплексоры передачи данных, модемы).
В частности, показанный на рис. 4.2 сетевой адаптер является внешним интерфейсом ПК и служит для подключения его к каналу связи для обмена информацией с другими ЭВМ, для работы в составе вычислительной сети. В глобальных сетях функции сетевого адаптера выполняет модулятор-демодулятор (модем).
Многие из названных выше устройств относятся к условно выделенной группе — средствам мультимедиа.
Средства мультимедиа (multimedia — многосредовость) — это комплекс аппаратных и программных средств, позволяющих человеку общаться с компьютером, используя самые разные, естественные для себя среды: звук, видео, графику, тексты, анимацию и др.
К средствам мультимедиа относятся устройства речевого ввода и вывода информации; широко распространенные уже сейчас сканеры (поскольку они позволяют автоматически вводить в компьютер печатные тексты и рисунки); высококачественные видео- (video-) и звуковые (sound-) платы, платы видеозахвата (videograbber), снимающие изображение с видеомагнитофона или видеокамеры и вводящие его в ПК; высококачественные акустические и видеовоспроизводящие системы с усилителями, звуковыми колонками, большими видеоэкранами. Но, пожалуй, еще с большим основанием к средствам мультимедиа относят внешние запоминающие устройства большой емкости на оптических дисках, часто используемые для записи звуковой и видеоинформации.
Стоимость компактных дисков (CD) при их массовом тиражировании невысокая, а учитывая их большую емкость (650 Мбайт, а новых типов — 1 Гбайт и выше), высокие надежность и долговечность, стоимость хранения информации на CD для пользователя оказывается несравнимо меньшей, нежели на магнитных дисках. Это уже привело к тому, что большинство программных средств самого разного назначения поставляется на CD. На компакт-дисках за рубежом организуются обширные базы данных, целые библиотеки; на CD представлены словари, справочники, энциклопедии; обучающие и развивающие программы по общеобразовательным и специальным предметам.
CD широко используются, например, при изучении иностранных языков, правил дорожного движения, бухгалтерского учета, законодательства вообще и налогового законодательства в Частности. И все это сопровождается текстами и рисунками, речевой информацией и мультипликацией, музыкой и видео. В чисто бытовом аспекте CD можно использовать для хранения аудио- и видеозаписей, т.е. использовать вместо плейерных аудиокассет и видеокассет. Следует упомянуть, конечно, и о большом количестве программ компьютерных игр, хранимых на CD.
Таким образом, CD-ROM открывает доступ к огромным объемам разнообразной и по функциональному назначению, и по среде воспроизведения информации, записанной на компакт-дисках.
Дополнительные схемы. К системной шине и к МП ПК наряду с типовыми внешними устройствами могут быть подключены и некоторые дополнительные платы с интегральными микросхемами, расширяющие и улучшающие функциональные возможности микропроцессора: математический сопроцессор, контроллер прямого доступа к памяти, сопроцессор ввода-вывода, контроллер прерываний и др.
Математический сопроцессор широко используется для ускоренного выполнения операций над двоичными числами с плавающей запятой, над двоично-кодированными десятичными числами, для вычисления некоторых трансцендентных, в том числе тригонометрических, функций. Математический сопроцессор имеет свою систему команд и работает параллельно (совмещенно во времени) с основным МП, но под управлением последнего. Ускорение операций происходит в десятки раз. Последние модели МП, начиная с МП 80486 DX, включают сопроцессор в свою структуру.
Контроллер прямого доступа к памяти освобождает МП от прямого управления накопителями на магнитных дисках, что существенно повышает эффективное быстродействие ПК. Без этого контроллера обмен данными между ВЗУ и ОЗУ осуществляется через регистр МП, а при его наличии данные непосредственно передаются между ВЗУ и ОЗУ, минуя МП.
Сопроцессор ввода-вывода за счет параллельной работы с МП значительно ускоряет выполнение процедур ввода-вывода при обслуживании нескольких внешних устройств (дисплей, принтер, НЖМД, НГМД и др.); освобождает МП от обработки процедур ввода-вывода, в том числе реализует и режим прямого доступа к памяти.
Важнейшую роль играет в ПК контроллер прерываний.
Прерывание — временный останов выполнения одной программы в целях оперативного выполнения другой, в данный момент более важной (приоритетной) программы.
Прерывания возникают при работе компьютера постоянно. Достаточно сказать, что все процедуры ввода-вывода информации выполняются по прерываниям, например, прерывания от таймера возникают и обслуживаются контроллером прерываний 18 раз в секунду (естественно, пользователь их не замечает).
Контроллер прерываний обслуживает процедуры прерывания, принимает запрос на прерывание от внешних устройств, определяет уровень приоритета этого запроса и выдает сигнал прерывания в МП. МП, получив этот сигнал, приостанавливает выполнение текущей программы и переходит к выполнению специальной программы обслуживания того прерывания, которое запросило внешнее устройство. После завершения программы обслуживания восстанавливается выполнение прерванной программы. Контроллер прерываний является программируемым.
Элементы конструкции ПК
Конструктивно ПК выполнены в виде центрального системного блока, к которому через разъемы подключаются внешние устройства: дополнительные устройства памяти, клавиатура, дисплей, принтер и др.
Системный блок обычно включает в себя системную плату, блок питания, накопители на дисках, разъемы для дополнительных устройств и платы расширения с контроллерами — адаптерами внешних устройств.
На системной плате (часто ее называют материнской платой — Mother Board), как правило, размещаются :
микропроцессор;
математический сопроцессор;
генератор тактовых импульсов;
блоки (микросхемы) ОЗУ и ПЗУ;
адаптеры клавиатуры, НЖМД и НГМД;
контроллер прерываний;
таймер и др.
ВНУТРИМАШИННЫЙ СИСТЕМНЫЙ ИНТЕРФЕЙС
Характеристика внутримашинного системного интерфейса
Внутримашинный системный интерфейс — система связи и сопряжения узлов и блоков ЭВМ между собой — представляет собой совокупность электрических линий связи (проводов), схем сопряжения с компонентами компьютера, протоколов (алгоритмов) передачи и преобразования сигналов.
Существуют два варианта организации внутримашинного интерфейса.
1. Многосвязный интерфейс: каждый блок ПК связан с прочими блоками
своими локальными проводами; многосвязный интерфейс применяется, как правило, только
в простейших бытовых ПК.
2. Односвязный интерфейс: все блоки ПК связаны друг с другом через
общую или системную шину.
В подавляющем большинстве современных ПК в качестве системного интерфейса используется системная шина. Структура и состав системной шины были рассмотрены ранее. Важнейшими функциональными характеристиками системной шины являются: количество обслуживаемых ею устройств и ее пропускная способность, т.е. максимально возможная скорость передачи информации. Пропускная способность шины зависит от ее разрядности (есть шины 8-, 16-, 32- и 64-разрядные) и тактовой частоты, на которой шина работает.
В качестве системной шины в разных ПК использовались и могут использоваться:
• шины расширений — шины общего назначения, позволяющие подключать
большое число самых разнообразных устройств;
• локальные шины, специализирующиеся на обслуживании небольшого количества устройств определенного класса.
Сравнительные технические характеристики некоторых шин приведены в табл. 4.4 .
Шины расширений
Шина Multibus 1 имеет две модификации: PC/XT bus (Personal Computer extended Technology — ПК с расширенной технологией) и PC/AT bus (PC Advanced Technology — ПК с усовершенствованной технологией).
Шина PC/XT bus — 8-разрядная шина данных и 20-разрядная шина адреса, рассчитанная на тактовую частоту 4,77 МГц; имеет 4 линии для аппаратных прерываний и 4 канала для прямого доступа в память (каналы DMA — Direct Memory Access). Шина адреса ограничивала адресное пространство микропроцессора величиной 1 Мбайт. Используется с МП 8086, 8088.
Шина PC/AT bus — 16-разрядная шина данных и 24-разрядная шина адреса, рабочая тактовая частота до 8 МГц, но может использоваться и МП с тактовой частотой 16 МГц, так как контроллер шины может делить частоту пополам; имеет 7 линий для аппаратных прерываний и 4 канала DMA. Используется с МП 80286.
Шина ISA (Industry Standard Architecture — архитектура промышленного стандарта) — 16-разрядная шина данных и 24-разрядная шина адреса, рабочая тактовая частота 8 МГц, но может использоваться и МП с тактовой частотой 50 МГц (коэффициент деления увеличен); по сравнению с шинами PC/XT и PC/AT увеличено количество линий аппаратных прерываний с 7 до 15 и каналов прямого доступа к памяти DMA с 7 до 11. Благодаря 24-разрядной шине адреса адресное пространство увеличилось с 1 до 16 Мбайт. Теоретическая пропускная способность шины данных равна 16 Мбайт/с, но реально она ниже, около 4-5 Мбайт/с, ввиду ряда особенностей ее использования. С появлением 32-разрядных высокоскоростных МП Шина ISA стала существенным препятствием увеличения быстродействия ПК.
Шина EISA (Extended ISA) — 32-разрядная шина данных и 32-разрядная шина адреса, создана в 1989 г. Адресное пространство шины 4 Гбайта, пропускная способность 33 Мбайт/с, причем скорость обмена по каналу МП — КЭШ — ОП определяется параметрами микросхем памяти, увеличено число разъемов расширений (теоретически может подключаться до 15 устройств, практически — до 10). Улучшена система прерываний, шина EISA обеспечивает автоматическое конфигурирование системы и управление DMA; пол-
ностью совместима с шиной ISA (есть разъем для подключения ISA), шина поддерживает многопроцессорную архитектуру вычислительных систем. Шина EISA весьма дорогая и применяется в скоростных ПК, сетевых серверах и рабочих станциях.
Шина MCA (Micro Channel Architecture) — 32-разрядная шина, созданная фирмой IBM в 1987 г. для машин PS/2, пропускная способность 76 Мбайт/с, рабочая частота 10-20 МГц. По своим прочим характеристикам близка к шине EISA, но не совместима ни с ISA, ни с EISA. Поскольку ЭВМ PS/2 не получили широкого распространения, в первую очередь ввиду отсутствия наработанного обилия прикладных программ, шина МСА также используется не очень широко.
Локальные шины
Современные вычислительные системы характеризуются:
• стремительным ростом быстродействия микропроцессоров и некоторых внешних устройств;
• появлением программ, требующих выполнения большого количества интерфейсных
операций (например, программы обработки графики в Windows, работа в среде Multimedia).
В этих условиях пропускной способности шин расширения, обслуживающих одновременно несколько устройств, оказалось недостаточно для комфортной работы пользователей, ибо компьютеры стали подолгу "задумываться".
Разработчики интерфейсов пошли по пути создания локальных шин, подключаемых непосредственно к шине МП, работающих на тактовой частоте МП (но не на внутренней рабочей его частоте) и обеспечивающих связь с некоторыми скоростными внешними по отношению к МП устройствами: основной и внешней памятью, видеосистемами и др.
Сейчас существуют два основных стандарта универсальных локальных шин: VLB и PCI.
Шина VLB (VESA Local Bus — локальная шина VESA) — разработана в 1992 г. Ассоциацией стандартов видеооборудования (VESA — Video Electronics Standards Association), поэтому часто ее называют шиной VESA.
Шина VLB, по существу, является расширением внутренней шины МП для связи с видеоадаптером и реже с винчестером, платами Multimedia, сетевым адаптером. Разрядность шины — 32 бита, более современный 64-разрядный вариант шины. Реальная скорость передачи данных по VLB — 80 Мбайт/с (теоретически достижимая — 132 Мбайт/с).
Недостатки шины:
• рассчитана на работу с МП 80386, 80486, пока не адаптирована для процессоров Pentium, Pentium Pro, Power PC;
• жесткая зависимость от тактовой частоты МП (каждая шина VLB рассчитана только на конкретную частоту);
• малое количество подключаемых устройств — к шине VLB могут подключаться только четыре устройства;
• отсутствует арбитраж шины — могут быть конфликты между подключаемыми устройствами.
Шина PCI (Peripheral Component Interconnect — соединение внешних устройств) — разработана в 1993 г. фирмой Intel.
Шина PCI является намного более универсальной, чем VLB, имеет свой адаптер, позволяющий ей настраиваться на работу с любым МП: 80486, Pentium, Pentium Pro, Power PC и др.; она позволяет подключать 10 устройств самой разной конфигурации с возможностью автоконфигурирования, имеет свой "арбитраж", средства управления передачей данных. Шина PCI пока еще весьма дорогая.
Разрядность PCI — 32 бита с возможностью расширения до 64 бит, теоретическая пропускная способность 132 Мбайт/с, а в 64-битовом варианте — 263 Мбайт/с (реальная вдвое ниже).
Шина PCI хотя и является локальной, выполняет и многие функции шины расширения, в частности, шины расширения ISA, EISA, MCA (а она совместима с ними) при наличии шины PCI подключаются не непосредственно к МП (как это имеет место при использовании шины VLB), а к самой шине PCI (через интерфейс расширения).
| Рис. 4.3. Конфигурация системы с шиной VLB |
Варианты конфигурации систем с шинами VLB и PCI показаны соответственно на рис. 4.3 и 4.4. Следует иметь в виду, что использование в ПК шин VLB и PCI возможно только при наличии соответствующей VLB- или PCI-материнской платы. Выпускаются материнские платы с мультишинной структурой, позволяющей использовать ISA/EISA, VLB и PCI, так называемые материнские платы с шиной VIP (по начальным буквам VLB, ISA и PCI).
|
|
|
|
| Рис. 4.4. Конфигурация системы с шиной PCI |
Таблица 4.4. Основные характеристики шин
| Параметр | ISA | EISA | MCA | VLB | PCI |
| Разрядность шины, бит данных адреса | 16 24 | 32 32 | 32; 64 32 | 32; 64 32 | 32; 64 32 |
| Рабочая частота, МГц | 8 | 8 — 33 | 10 — 20 | до 33 | до 33 |
| Пропускная способность, Мбайт/с теоретическая практическая | 4 2 | 33 8 | 76 20 | 132 80 | 132; 264 50; 100 |
| Число подключаемых устройств, шт. | 6 | 15 | 15 | 4 | 10 |
Локальные шины IDE (Integrated Device Electronics), EIDE (Enhanced IDE), SCSI (Small Computer System Interface) используются чаще всего в качестве интерфейса только для внешних запоминающих устройств.
ФУНКЦИОНАЛЬНЫЕ ХАРАКТЕРИСТИКИ ПК
Основными характеристиками ПК являются:
1. Быстродействие, производительность, тактовая частота.
Единицами измерения быстродействия служат:
• МИПС (MIPS — Mega Instruction Per Second) — миллион операций над числами с фиксированной запятой (точкой);
• МФЛОПС (MFLOPS — Mega FLoating Operations Per Second) — миллион операций над числами с плавающей запятой (точкой);
• КОПС (KOPS — Kilo Operations Per Second) для низкопроизводительных ЭВМ — тысяча неких усредненных операций над числами;
• ГФЛОПС (GFLOPS — Giga FLoating Operations Per Second) — миллиард операций в секунду над числами с плавающей запятой (точкой).
Оценка производительности ЭВМ всегда приблизительная, ибо при этом ориентируются на некоторые усредненные или, наоборот, на конкретные виды операций. Реально при решении различных задач используются и различные наборы операций. Поэтому для характеристики ПК вместо производительности обычно указывают тактовую частоту, более объективно определяющую быстродействие машины, так как каждая операция требует для своего выполнения вполне определенного количества тактов. Зная тактовую частоту, можно достаточно точно определить время выполнения любой машинной операции.
Пример 4.14. При отсутствии конвейерного выполнения команд и увеличении внутренней частоты у микропроцессора тактовый генератор с частотой 33 МГц обеспечивает выполнение 7 млн. коротких машинных операций (сложение и вычитание с фиксированной запятой, пересылки информации и др.) в секунду; с частотой 100 МГц — 20 млн. коротких операций в секунду.
2. Разрядность машины и кодовых шин интерфейса.
Разрядность — это максимальное количество разрядов двоичного числа, над которым одновременно может выполняться машинная операция, в том числе и операция передачи информации; чем больше разрядность, тем, при прочих равных условиях, будет больше и производительность ПК.
3. Типы системного и локальных интерфейсов.
Разные типы интерфейсов обеспечивают разные скорости передачи информации между узлами машины, позволяют подключать разное количество внешних устройств и различные их виды.
4. Емкость оперативной памяти.
Емкость оперативной памяти измеряется чаще всего в мегабайтах (Мбайт), реже в килобайтах (Кбайт). Напоминаем: 1 Мбайт = 1024 Кбайта = 10242 байт.
Следует иметь в виду, что увеличение емкости основной памяти в 2 раза, помимо всего прочего, дает повышение эффективной производительности ЭВМ при решении сложных задач примерно в 1,7 раза.
5. Емкость накопителя на жестких магнитных дисках (винчестера).
Емкость винчестера измеряется обычно в мегабайтах или гигабайтах (1 Гбайт = = 1024 Мбайта).
6. Тип и емкость накопителей на гибких магнитных дисках.
Сейчас применяются в основном накопители на гибких магнитных дисках, использующие дискеты диаметром 3,5 дюйма (1 дюйм = 25,4 мм) и имеют стандартную емкость 1,44 Мбайта.
7. Виды и емкость КЭШ-памяти.
КЭШ-память — это буферная, не доступная для пользователя быстродействующая память, автоматически используемая компьютером для ускорения операций с информацией, хранящейся в более медленно действующих запоминающих устройствах. Например, для ускорения операций с основной памятью организуется регистровая КЭШ-память внутри микропроцессора (КЭШ-память первого уровня) или вне микропроцессора на материнской плате (КЭШ-память второго уровня); для ускорения операций с дисковой памятью организуется КЭШ-память на ячейках электронной памяти.
Следует иметь в виду, что наличие КЭШ-памяти емкостью 256 Кбайт увеличивает производительность ПК примерно на 20%.
8. Тип видеомонитора (дисплея) и видеоадаптера.
9. Тип принтера.
10. Наличие математического сопроцессора.
Математический сопроцессор позволяет в десятки раз ускорить выполнение операций над двоичными числами с плавающей запятой и над двоично-кодированными десятичными числами.
11. Имеющееся программное обеспечение и вид операционной системы.
12. Аппаратная и программная совместимость с другими типами ЭВМ.
Аппаратная и программная совместимость с другими типами ЭВМ означает возможность использования на компьютере соответственно тех же технических элементов и программного обеспечения, что и на других типах машин.
13. Возможность работы в вычислительной сети.
14. Возможность работы в многозадачном режиме.
Многозадачный режим позволяет выполнять вычисления одновременно по нескольким программам (многопрограммный режим) или для нескольких пользователей (многопользовательский режим). Совмещение во времени работы нескольких устройств машины, возможное в таком режиме, позволяет значительно увеличить эффективное быстродействие ЭВМ.
15. Надежность.
Надежность — это способность системы выполнять полностью и правильно все заданные ей функции. Надежность ПК измеряется обычно средним временем наработки на отказ.
16. Стоимость.
17. Габариты и масса.
4.3. МИКРОПРОЦЕССОРЫ
ТИПЫ МИКРОПРОЦЕССОРОВ
Общая характеристика
Микропроцессор, иначе, центральный процессор — Central Processing Unit (CPU) — функционально законченное программно-управляемое устройство обработки информации, выполненное в виде одной или нескольких больших (БИС) или сверхбольших (СБИС) интегральных схем.
Для МП на БИС или СБИС характерны:
простота производства (по единой технологии);
низкая стоимость (при массовом производстве);
малые габариты (пластина площадью несколько квадратных сантиметров или кубик со стороной несколько миллиметров);
высокая надежность;
малое потребление энергии.
Микропроцессор выполняет следующие функции:
чтение и дешифрацию команд из основной памяти;
чтение данных из ОП и регистров адаптеров внешних устройств;
прием и обработку запросов и команд от адаптеров на обслуживание ВУ;
обработку данных и их запись в ОП и регистры адаптеров ВУ;
выработку управляющих сигналов для всех прочих узлов и блоков ПК.
Разрядность шины данных микропроцессора определяет разрядность ПК в целом; разрядность шины адреса МП — его адресное пространство.
Адресное пространство — это максимальное количество ячеек основной памяти, которое может быть непосредственно адресовано микропроцессором.
Первый микропроцессор был выпущен в 1971 г. фирмой Intel (США) — МП 4004. В настоящее время выпускается несколько сотен различных микропроцессоров, но наиболее популярными и распространенными являются микропроцессоры фирмы Intel и Intel-подобные.
Все микропроцессоры можно разделить на три группы:
• МП типа CISC (Complex Instruction Set Computing) с полным набором команд;
• МП типа RISC (Reduced Instruction Set Computing) с сокращенным набором команд;
• МП типа MISC (Minimum Instruction Set Computing) с минимальным набором команд и весьма высоким быстродействием.
СТРУКТУРА МИКРОПРОЦЕССОРА
Устройство управления
Устройство управления является функционально наиболее сложным устройством ПК. Оно вырабатывает управляющие сигналы, поступающие по кодовым шинам инструкций во все блоки машины.
Упрощенная функциональная схема УУ показана на рис. 4.5. Здесь представлены: Регистр команд — запоминающий регистр, в котором хранится код команды: код выполняемой операции и адреса операндов, участвующих в операции. Регистр команд расположен в интерфейсной части МП, в блоке регистров команд.
Дешифратор операций — логический блок, выбирающий в соответствии с поступающим из регистра команд кодом операции (КОП) один из множества имеющихся у него выходов.

Рис. 4.5. Укрупненная функциональная схема устройства управления
Постоянное запоминающее устройство микропрограмм — хранит в своих ячейках управляющие сигналы (импульсы), необходимые для выполнения в блоках ПК операций обработки информации. Импульс по выбранному дешифратором операций в соответствии с кодом операции считывает из ПЗУ микропрограмм необходимую последовательность управляющих сигналов.
Узел формирования адреса (находится в интерфейсной части МП) — устройство, вычисляющее полный адрес ячейки памяти (регистра) по реквизитам, поступающим из регистра команд и регистров МПП.
Кодовые шины данных, адреса и инструкций — часть внутренней интерфейсной шины микропроцессора. В общем случае УУ формирует управляющие сигналы для выполнения следующих основных процедур:
• выборки из регистра-счетчика адреса команды МПП адреса ячейки ОЗУ, где хранится очередная команда программы;
• выборки из ячеек ОЗУ кода очередной команды и приема считанной команды в регистр команд;
• расшифровки кода операции и признаков выбранной команды;
• считывания из соответствующих расшифрованному коду операции ячеек ПЗУ микропрограмм управляющих сигналов (импульсов), определяющих во всех блоках машины процедуры выполнения заданной операции, и пересылки управляющих сигналов в эти блоки;
• считывания из регистра команд и регистров МПП отдельных составляющих адресов операндов (чисел), участвующих в вычислениях, и формирования полных адресов операндов;
• выборки операндов (по сформированным адресам) и выполнения заданной операции обработки этих операндов;
записи результатов операции в память;
• формирования адреса следующей команды программы.
Арифметико-логическое устройство
Арифметико-логическое устройство предназначено для выполнения арифметических и логических операций преобразования информации.
Функционально АЛУ (рис. 4.6) состоит обычно из двух регистров, сумматора и схем управления (местного устройства управления).

Рис. 4.6. Функциональная схема АЛУ
Сумматор — вычислительная схема, выполняющая процедуру сложения поступающих на ее вход двоичных кодов; сумматор имеет разрядность двойного машинного слова.
Регистры — быстродействующие ячейки памяти различной длины: регистр 1 (Рг1) имеет разрядность двойного слова, а регистр 2 (Рг2) — разрядность слова.
При выполнении операций в Рг1 помещается первое число, участвующее в операции, а по завершении операции — результат; в Рг2 — второе число, участвующее в операции (по завершении операции информация в нем не изменяется). Регистр 1 может и принимать информацию с кодовых шин данных, и выдавать информацию на них, регистр 2 только получает информацию с этих шин.
Схемы управления принимают по кодовым шинам инструкций управляющие сигналы от устройства управления и преобразуют их в сигналы для управления работой регистров и сумматора АЛУ.
АЛУ выполняет арифметические операции (+, -, *, :) только над двоичной информацией с запятой, фиксированной после последнего разряда, т.е. только над целыми двоичными числами.
Выполнение операций над двоичными числами с плавающей запятой и над двоично-кодированными десятичными числами осуществляется или с привлечением математического сопроцессора, или по специально составленным программам.
Микропроцессорная память
Микропроцессорная память — память небольшой емкости, но чрезвычайно высокого быстродействия (время обращения к МПП, т.е. время, необходимое на поиск, запись или считывание информации из этой памяти, измеряется наносекундами — тысячными долями микросекунды).
Она предназначена для кратковременного хранения, записи и выдачи информации, непосредственно в ближайшие такты работы машины участвующей в вычислениях; МПП используется для обеспечения высокого быстродействия машины, ибо основная память не всегда обеспечивает скорость записи, поиска и считывания информации, необходимую для эффективной работы быстродействующего микропроцессора.
Микропроцессорная память состоит из быстродействующих регистров с разрядностью не менее машинного слова. Количество и разрядность регистров в разных микропроцессорах различны: от 14 двухбайтных регистров у МП 8086 до нескольких десятков регистров разной длины у МП Pentium.
Регистры микропроцессора делятся на регистры общего назначения и специальные.
Специальные регистры применяются для хранения различных адресов (адреса команды, например), признаков результатов выполнения операций и режимов работы ПК (регистр флагов, например) и др.
Регистры общего назначения являются универсальными и могут использоваться для хранения любой информации, но некоторые из них тоже должны быть обязательно задействованы при выполнении ряда процедур.
Интерфейсная часть микропроцессора
Интерфейсная часть МП предназначена для связи и согласования МП с системной шиной ПК, а также для приема, предварительного анализа команд выполняемой программы и формирования полных адресов операндов и команд.
Интерфейсная часть включает в свой состав адресные регистры МПП, узел формирования адреса, блок регистров команд, являющийся буфером команд в МП, внутреннюю интерфейсную шину МП и схемы управления шиной и портами ввода-вывода.
Порты ввода-вывода — это пункты системного интерфейса ПК, через которые МП обменивается информацией с другими устройствами. Всего портов у МП может быть 65536. Каждый порт имеет адрес — номер порта, соответствующий адресу ячейки памяти, являющейся частью устройства ввода-вывода, использующего этот порт, а не частью основной памяти компьютера.
Порт устройства содержит аппаратуру сопряжения и два регистра памяти — для обмена данными и обмена управляющей информацией. Некоторые внешние устройства используют и основную память для хранения больших объемов информации, подлежащей обмену. Многие стандартные устройства (НЖМД, НГМД, клавиатура, принтер, сопроцессор и др.) имеют постоянно закрепленные за ними порты ввода-вывода.
Схема управления шиной и портами выполняет следующие функции:
• формирование адреса порта и управляющей информации для него (переключение
порта на прием или передачу и др.);
• прием управляющей информации от порта, информации о готовности порта и его со
стоянии;
• организацию сквозного канала в системном интерфейсе для передачи данных между
портом устройства ввода-вывода и МП.
Схема управления шиной и портами использует для связи с портами кодовые шины инструкций, адреса и данных системной шины: при доступе к порту МП посылает сигнал по КШИ, который оповещает все устройства ввода-вывода, что адрес на КША является адресом порта, а затем посылает и сам адрес порта. То устройство, адрес порта которого совпадает, дает ответ о готовности, после чего по КШД осуществляется обмен данными.
ПОСЛЕДОВАТЕЛЬНОСТЬ РАБОТЫ БЛОКОВ ПК
Программа хранится во внешней памяти ПК. При запуске программы в работу пользователь выдает запрос на ее исполнение в дисковую операционную систему (DOS — Disk Operation System) компьютера. Запрос пользователя — это ввод имени исполняемой программы в командную строку на экране дисплея. Главная программа DOS — Command.com обеспечивает перезапись машинной (исполняемой) программы из внешней памяти в ОЗУ и устанавливает в регистре-счетчике адреса команд микропроцессорной памяти адрес ячейки ОЗУ, в которой находится начало (первая команда) этой программы.
После этого автоматически начинается выполнение команд программы друг за другом. Каждая команда требует для своего исполнения нескольких тактов работы машины (такты определяются периодом следования импульсов от генератора тактовых импульсов). В первом такте выполнения любой команды производятся считывание кода самой команды из ОЗУ по адресу, установленному в регистре-счетчике адреса, и запись этого кода в блок регистров команд устройства управления. Содержание второго и последующих тактов исполнения определяется результатами анализа команды, записанной в блок регистров команд, т.е. зависит уже от конкретной команды.
Пример 4.15. При выполнении ранее рассмотренной машинной команды
| СЛ | 0103 | 5102 |
будут выполнены следующие действия:
• второй такт: считывание из ячейки 0103 ОЗУ первого слагаемого и перемещение его в АЛУ;
• третий такт: считывание из ячейки 5102 ОЗУ второго слагаемого и перемещение его в АЛУ;
• четвертый такт: сложение в АЛУ переданных туда чисел и формирование суммы;
• пятый такт: считывание из АЛУ суммы чисел и запись ее в ячейку 0103 ОЗУ.
В конце последнего (в данном случае пятого) такта выполнения команды в регистр-счетчик адреса команд МПП будет добавлено число, равное количеству байтов, занимаемых кодом выполненной команды программы. Поскольку емкость одной ячейки памяти ОЗУ равна 1 байту и команды программы в ОЗУ размещены последовательно друг за другом, в регистре-счетчике адреса команд будет сформирован адрес следующей команды машинной программы, и машина приступит к ее исполнению и т.д. Команды будут выполняться последовательно одна за другой, пока не завершится вся программа. После завершения программы управление будет передано обратно в программу Command.com операционной системы.
КЛЮЧЕВЫЕ ПОНЯТИЯ
Адаптер (контроллер) Микропроцессор
Адрес операнда Микропроцессорная память
Адресное пространство Модем
Алгебра логики Мультимедиа системы
Алгоритм Мультимедиа средства
Арифметико-логическое устройст- Накопитель на гибких магнитных
во (АЛУ) дисках (НГМД)
Архитектура компьютера Накопитель на жестких магнит-
Верхняя память ных дисках (НЖМД, винчес-
Видеоконтроллер (видеоадаптер) тер)
Видеомонитор (дисплей) Накопитель на магнитной ленте
Видеопамять (НМЛ)
Внешнее устройство Накопитель на оптических дисках
Внешняя память (НОД)
Внутримашинный системный ин- Операнд
терфейс Оперативное запоминающее уст-
Двоичная система счисления ройство (ОЗУ)
Двоично-десятичная система счис- Основная память (ОП)
ления Плата расширений
Дисковод Поля постоянной длины (слово,
Драйвер полуслово, двойное слово)
Единицы измерения данных (бит, Порт ввода-вывода
байт, килобайт, гигабайт, Постоянное запоминающее уст-
терабайт) ройство (ПЗУ)
Единицы производительности ПК Прерывание
(КОПС, МИПС, МФЛОПС, Прямой доступ
ГФЛОПС) Разрешающая способность мони-
Емкость памяти торов
Интерфейс Расширенная память
Клавиатура Регистр
Код ASCII Регистровая КЭШ-память
Код операции Регистры микропроцессора
Контроллер Системная (материнская) плата
Контроллер клавиатуры Системная шина
Курсор Системный блок
КЭШ-память Системы счисления
Логическая структура диска Сканер
дорожка Стандартная память
кластер Стриммер
сектор Структура компьютера
цилиндр Сумматор
Логическая структура памяти Схема управления шиной и портами
Локальная шина
Математический сопроцессор Схемы управления АЛУ
Машинная команда Таймер
Машинная программа Такт работы машины
Трансфер Устройство управления
Трекбол Файл
Устройство ввода Форматирование дискеты
графический планшет (диджитаизер) Формы представления чисел
Число с плавающей запятой (точ кой)-
клавиатура
манипулятор
сенсорный экран Число с фиксированной запятой
сканер (точкой)
Устройства вывода Шестнадцатеричная система счис ления
плоттер
принтер Шина расширений
ВОПРОСЫ ДЛЯ САМОПРОВЕРКИ
1. Что такое система счисления?
2. Как представляются числа в форме с фиксированной и плавающей запятой?
3. Что такое: бит, байт, килобайт, мегабайт?
4. Каковы структура и назначение кодов ASCII?
5. Что такое алгебра логики?
6. Что такое: алгоритм, машинная программа, машинная команда? Какова структура машинной команды? Что такое адрес операнда?
7. Какие основные блоки входят в состав ПК?
8. Назовите основные характеристики ПК и ориентировочные значения некоторых из них.
9. Назовите основные факторы, влияющие на производительность ПК.
10. Что такое микропроцессор и какие функции он выполняет?
11. Назовите модели современных микропроцессоров и их основные характеристики.
12. Каковы структура и назначение устройства управления?
13. Что такое математический сопроцессор и каково его назначение?
14. Каковы структура и назначение арифметико-логического устройства?
15. В чем разница между тактовой частотой ПК и внутренней частотой микропроцессора?
16. Каковы назначение и основные характеристики микропроцессорной памяти?
17. Каковы назначение и основные характеристики КЭШ-памяти?
18. Каковы назначение и основные характеристики оперативной, постоянной и внешней памяти?
19. Что такое порт ввода-вывода?
20. Что такое адресное пространство микропроцессора?
21. Какая разница между физической и логической структурами основной памяти?
22. Перечислите и охарактеризуйте основные виды внешней памяти ПК.
23. Что такое средства мультимедиа?
24. Что такое конвейерное выполнение команд?
25. Вспомните последовательность работы блоков ПК при выполнении программы.
26. Что такое виртуальные: адресация, память, диск, ЭВМ?
Информация в лекции "Приложение 4" поможет Вам.
27. Какие группы клавиш вы знаете и каково их назначение?
28. Какие виды системных и дисковых интерфейсов вы знаете и каковы их характеристики?
29. Что такое видеоадаптер и видеомонитор и их назначение?
30. Какие типы принтеров вы знаете?
31. Что такое сканер и каково его назначение?
32. Назовите основные принципы выбора ПК.



























