Лекция 16 - Описание импульсных систем
Лекция № 16
Тема:
Описание импульсных систем с несколькими импульсными элементами с помощью пространства состояний.
План лекции:
1. Математическое описание синхронных импульсных систем с кратными периодами квантования ИЭ.
2. Пример составления математического описания импульсной системы.
1. Математическое описание синхронных импульсных систем с кратными периодами квантования ИЭ.
Импульсная система может иметь в своем составе несколько импульсных элементов (ИЭ). Наиболее простым является ранее рассмотренный случай, когда у всех ИЭ одинаковые периоды квантования и все они срабатывают одновременно. Такие системы называются синхронными и синфазными. В противном случае говорят об асинхронных (различные периоды квантования) и асинфазных (неодинаковое время срабатывания ИЭ) системах. Математическое описание и анализ таких систем представляют собой сложную задачу, для решения которой можно успешно использовать метод пространства состояний.
![]() |
Ограничимся рассмотрением асинхронных систем с кратными периодами дискретности импульсных элементов. Такие системы имеют в своем составе непрерывную часть, описываемую линейными дифференциальными уравнениями, и дискретную часть, состоящую из идеальных импульсных элементов (ИИЭ) и формирующих звеньев. Изложим общий подход к математическому описанию данных САУ. Рассмотрим интервал квантования ИЭ и выделим их наименьшее общее кратное Т. Эта величина определяет цикл работы всей системы. Разделим цикл на h подынтервалов в соответствии с моментами срабатывания отдельных ИЭ (рис.38).
Рис.38
На каждом полуинтервале
в системе можно выделить два типа преобразования вектора состояния:
изменение вектора состояния в интервале между моментами квантования. Эти переходы характеризуются уравнениями вида
Рекомендуемые материалы
,
где x - вектор состояния; u - вектор управления.
Данному уравнению соответствует решение
(78)
где

2) изменение вектора состояния в моменты квантования. Эти изменения описываются уравнениями вида
(79)
(индексы "-" и "+" соответствуют левым и правым пределам при стремлении аргумента t ).
Осуществляя последовательно переходы (78) и (79), можно установить связь между интересующими нас моментами времени. Например, рассмотрим полуинтервал
. При t=kT имеем переход
(80)
На интервале
имеем переход
(81)
Подставив выражение (80) в формулу (81), получим уравнения, связывающие значения вектора состояния в моменты
и 

или

где

Аналогично рассматриваются и стыкуются между собой последующие интервалы.
2. Пример составления математического описания импульсной системы.
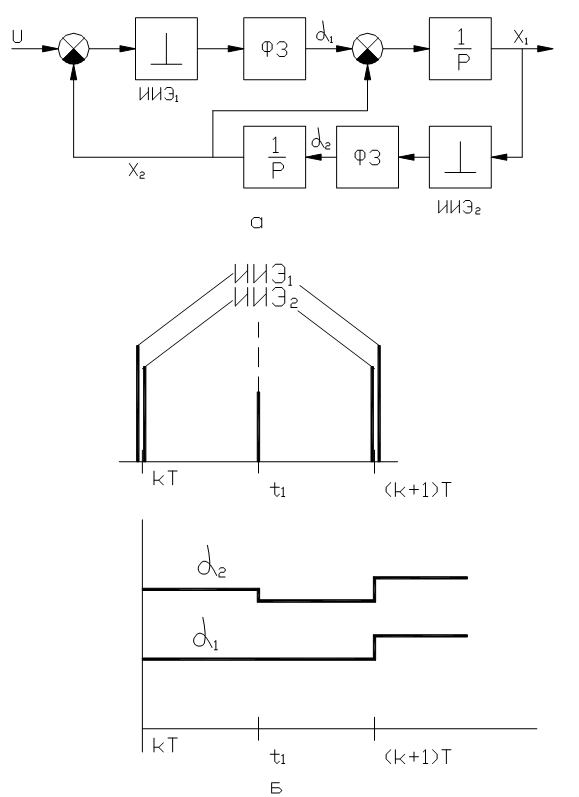
Рассмотрим более подробно математическое описание подобных систем на примере. Пусть структурная схема дискретной системы имеет вид, представленный на рис.39,а. Данная система является асинхронной. Периоды повторения первого ИЭ Т и второго кратные числа, причем T=2T1. Формирующие звенья обоих импульсных элементов представляют собой экстраполяторы нулевого порядка. Временная диаграмма работы импульсных элементов представлена на рис.39.б.
Примем за переменные состояния координаты x1,x2. Входное воздействие u(t) будем считать непрерывной функцией. Рассмотрим временной интервал (kT,t1) и запишем дифференциальные уравнения, соответствующие переходу


![]() |
Рис. 39
Решив данную систему , получим при 


Подставим
найдем


Представим систему в виде


Рассмотрим далее дискретный переход 


т.е.
(83)
где
.
Объединив результаты двух рассмотренных переходов, получим

или
(84)
так как для данного случая
.
Рассмотрим следующий временной интервал
Запишем дифференциальные уравнения, соответствующие переходу
. При этом следует иметь в виду, что в момент времени t1 срабатывает только второй ИЭ, а выходной сигнал первого ИЭ не меняется. Уравнения имеют вид

Решив данную систему , получим при 


При t=(k+1)T имеем
и тогда


или, переходя к матричной форме записи,
(85)
где

Дискретный переход
аналогичен рассмотренному дискретному переходу
, т.е.
(86)
Объединив выражения (83), (85). (86), получим
(87)
Подставляя в зависимость (87) выражение для
, будем иметь
Бесплатная лекция: "12 Мультипроцессорные системы управления" также доступна.

или
(88)
где

Таким образом, получена система разностных уравнений (88), определяющая связь между значениями переменных состояния на интервале основного квантования Т. Устойчивость рассматриваемой дискретной системы определяется собственными числами матрицы Ф. Полученные зависимости позволяют провести расчет переходных процессов в данной системе.
























