Для студентов ТУСУР по предмету Твердотельная электроникаИсследование полевого транзистора с управляющим p-n-переходомИсследование полевого транзистора с управляющим p-n-переходом
5,0053185
2025-03-252025-03-25СтудИзба
Лабораторная работа: Исследование полевого транзистора с управляющим p-n-переходом
Описание
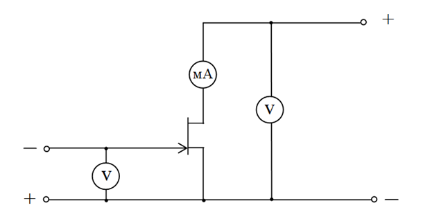
Цель лабораторной работы - исследовать физические процессы, лежащие в основе работы полевого транзистора. Изучить передаточные и выходные характеристики полевого транзистора.
Передаточная характеристика полевого транзистора КП302Б при различных напряжениях сток-исток

Передаточная характеристика полевого транзистора КП302Б при различных напряжениях сток-исток
Характеристики лабораторной работы
Предмет
Учебное заведение
Просмотров
1
Качество
Идеальное компьютерное
Размер
52,09 Kb
Список файлов
лаб 2 ТЭ.docx

Если нужен другой вариант работы или отдельная задача из любой работы, пишите в комментарии