Другое 43: Курсовая работа по ТММ Вариант №43Д вариант Д
Описание
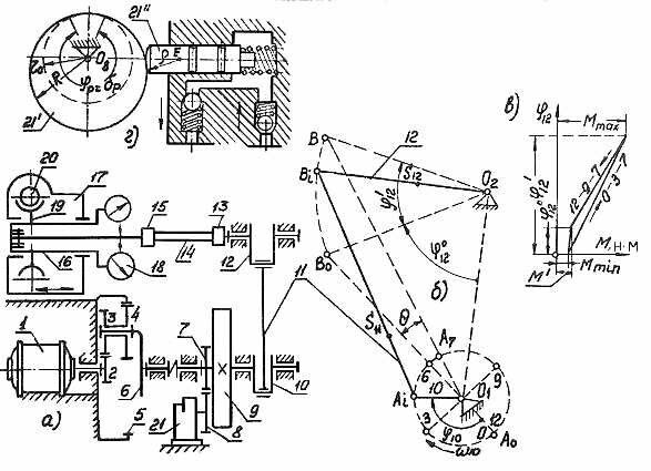
Тема: "Проектирование и исследование механизмов машины на повторно-переменное кручение"
Чертежи выполнены на А1 в Компасе. Архив содержит 4 листа в формате pdf и файл РПЗ в формате doc. Оценка - "хор".![]()
Чертежи выполнены на А1 в Компасе. Архив содержит 4 листа в формате pdf и файл РПЗ в формате doc. Оценка - "хор".

Характеристики учебной работы
Тип
Учебное заведение
Семестр
Номер задания
Вариант
Просмотров
57
Размер
22,12 Mb
Список файлов
РПЗ.docx
лист 1.pdf
лист 2.pdf
лист 3.pdf
лист 4.pdf
Комментарии
Нет комментариев
Стань первым, кто что-нибудь напишет!
МГТУ им. Н.Э.Баумана

















