Курсовая работа 108: Проектирование и исследование механизмов кривошипного горячештамповочного пресса вариант В
Описание
В курсовом проекте было выполнено проектирование и исследование механизмов кривошипного горячештамповочного пресса.
Проведено:
- Определение закона движения механизма
- Определение реакций в кинематических парах механизма
- Расчет зубчатой передачи и подбор числа зубьев двухрядного планетарного редуктора со смешанным зацеплением
Оглавление
Реферат.
Техническое задание.
Исходные данные.
1.Проектирование основного механизма и определение закона движения.
1.1.Синтез механизма.
1.2.Определение значений передаточных функций передаточных отношений основного механизма. 13
1.3 Выбор динамической модели.
1.4 Суммарный приведенный момент инерции. 16
1.5Суммарный приведенный момент. 19
1.6. Работа. 24
1.7. Угловая скорость механизма. 25
1.8. Угловое ускорение механизма. 27
1.9. Время движения механизма. 28
2.Силовой расчет основного механизма. 29
2.1.Исходные данные для силового расчета механизма. 29
2.2 Скорости точек механизма. 30
2.3Ускорение точек механизма. 31
2.4Силы тяжести, главные векторы и главные моменты сил инерции. 32
2.5Силовой расчет без учета трения. 32
2.6Силы трения и моменты трения. 34
2.7Силовой расчет с учетом трения. 35
3.Проектирование механизмов с зубчатыми передачами. 37
3.1Проектирование цилиндрической зубчатой передачи. 37
3.2 Проектирование планетарного редуктора. 38
4.Проектирование кулачкового механизма. 40
4.1 Исходные данные. 40
4.2 Построение кинематических диаграмм. 40
4.3 Определение основных размеров кулачкового механизма. 43
4.4 Построение профиля кулачка. 43
4.5 Построение графика угла давления. 45
5.Заключение. 47
6. Список использованной литературы.. 48
Приложение А.. 49
Приложение Б. 59
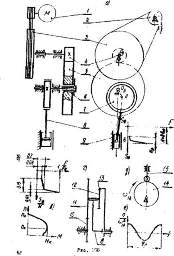
Исходные данные
Исходные данные
| Параметр | Обозначе ние | Единица измерения | Значение |
| Наибольшее усилие деформирования | FH | МН | 25 |
| Ход ползуна | H | м | 0,35 |
| Отношение длины шатуна 8 к длине кривошипа 7 | λ8 | - | 6,3 |
| Отношение расстояния центра масс шатуна 8 до оси шарнира B к длине шатуна 8 | λS8 | - | 2/3 |
| Масса ползуна 9 | m9 | т | 20 |
| Масса шатуна 8 | m8 | т | 15 |
| Диаметр эксцентрика | dA | м | 0,9 |
| Диаметр оси шарнира O3 | dO | м | 0,56 |
| Диаметр оси шарнира B | dB | м | 0,25 |
| Передаточное отношение всего механизма | u15 | - | 15,1 |
| Момент инерции всех вращающихся масс, приведенный к валу кривошипа | I1 | т ∙ м2 | 40 |
| Момент инерции эксцентрика 7 и связанной с ним полумуфты 6 | I7 | т ∙ м2 | 0,5 |
| Синхронная частота вращения ротора электродвигателя | n0 | с-1 | 16,7 |
| Критическая частота вращения ротора электродвигателя | nк | с-1 | 11,5 |
| Критический момент на валу электродвигателя | Мк | кН ∙ м | 3,09 |
| Число зубьев колес 4, 5 | z4/z5 | - | 11/73 |
| Модуль зубчатых колес 4, 5 | m | мм | 25 |
| Передаточное отношение планетарного редуктора | u10в | - | 15 |
| Число сателлитов планетарного редуктора | k | - | 3 |
| Ход толкателя 15 кулачкового механизма | h | м | 0,16 |
| Частота вращения кулачка | n14 | с-1 | 1 |
| Угол рабочего профиля кулачка | ψp | град | 180 |
| Допустимый угол давления | [ϑ] | град | 30 |
МГТУ им. Н.Э.Баумана
sojoyless

















