Для студентов МГТУ им. Н.Э.Баумана по предмету Теория механизмов и машин (ТММ)Проектирование и исследование механизмов четырехтактного двигателя внутреннего сгоранияПроектирование и исследование механизмов четырехтактного двигателя внутреннего сгорания
5,0055
2013-12-172025-04-07СтудИзба
Курсовая работа 14: Проектирование и исследование механизмов четырехтактного двигателя внутреннего сгорания вариант Д
-50%
Описание
Проектирование и исследование механизмов четырехтактного двигателя внутреннего сгорания
Аннотация
Расчетно-пояснительная записка к курсовому проекту ’’Проектирование и исследование механизмов четырехтактного двигателя внутреннего сгорания’’ содержит 43 страницы машинописного текста 2 рисунка, 8 таблиц.В курсовом проекте было выполнено проектирование и исследование механизмов четырехтактного двигателя внутреннего сгорания служащего в качестве привода электрогенератора.
Проведено:
- Определения закона движения механизма и определения размеров маховика обеспечивающего требуемый коэффициент неравномерности вращения коленчатого вала.
- Определение реакций возникающих в кинематических парах механизма за полный цикл работы.
- Расчет зубчатой передачи обеспечивающей необходимое передаточное отношение между коленчатым и распределительным валами и подбор чисел зубьев двухрядного планетарного редуктора.
- Определение параметров кулачкового механизма с поступательно движущимся толкателем которые обеспечивают открытие и закрытие впускного и выпускного клапанов.
Содержание
- Аннотация..............................................................................................................2
- Содержание............................................................................................................3
- 1.Техническое задание……………………………….……………….……........5
- 1.1.Исходные данные…………………………………...…………….......7
- 2. Определение и исследование закона движения механизмов
- четырехтактного двигателя внутреннего сгорания.………….....................10
- 2.1.Определение линейных размеров кривошипно-ползунного механизма....................................................................................................11
- 2.2. Определение передаточных функций и отношений........................13
- 2.3. Определение приведенных моментов инерции второй
- группы звеньев.....................................................................................14
- 2.4. Определение приведенного момента от сил, действующих на
- поршень................................................................................................16
- 2.5. Построение графиков работы приведённых моментов
- движущих сил и сил сопротивления.................................................18
- 2.6. Построение графика суммарной работы...........................................20
- 2.7. Определение кинетической энергии звеньев второй группы........20
- 2.8. Определение кинетической энергии звеньев первой группы.........21
- 2.9. Определение необходимого момента инерции маховых масс.......22
- 2.10. Построение графика угловой скорости...........................................23
- 2.11. Определение момента инерции дополнительной маховой
- массы (маховика).............................................................................23
- 2.12. Габаритные размеры и масса маховика...........................................24
- 3.Силовой расчет основного механизма.............................................................25
- 3.1.Аналитический расчет усилий в кинематических парах..................25
- 3.2. Силовой расчет основного механизма графоаналитическим
- способом……………………………..................................................27
- 3.3. Построение плана скоростей..............................................................28
- 3.4. Построение плана ускорений.............................................................29
- 3.5. Определение главных векторов сил инерции и главных
- моментов сил инерции.......................................................................30
- 3.6. Силовой расчет.……......….......................................................……...31
- 3.7. Сравнение полученных результатов..................................................32
- 4. Расчёт зубчатой передачи и планетарного редуктора...................................33
- 4.1. Расчёт цилиндрической зубчатой передачи......................................33
- 4.1.1. Станочное зацепление..............................................................34
- 4.1.2. Зубчатая передача.....................................................................36
- 4.2. Проектирование планетарного зубчатого механизма......................37
- 4.3. Проверка графическим способом правильности
- передаточного отношения планетарного редуктора.......................38
- 5. Проектирование кулачкового механизма.…………………………..............39
- 5.1. Определение закона движения кулачкового механизма.…............39
- 5.2. Определение основных размеров кулачкового механизма.............40
- 5.3. Построение профиля кулачка...............................................……......41
- Заключение............................................................................................................42
- Литература.............................................................................................................43
1.Техническое задание.
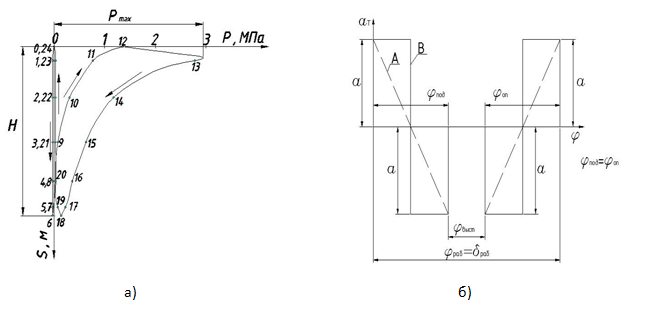
Четырехтактный двигатель внутреннего сгорания служит в качестве привода электрогенератора. Основной механизм двигателя (рис.1) - кривошипно-ползунный, состоящий из трех подвижных звеньев: 1 - коленчатый вал, 2 - шатун, 3 - поршень. Вал электрогенератора связан с коленчатым валом. Цикл работы четырехтактного двигателя совершается за два оборота коленчатого вала. Изменение давления в цилиндре двигателя в зависимости от положения поршня представлено на индикаторной диаграмме (рис. 2а), данные для построения которой приведены в табл.1.Кулачковые механизмы предназначены для открытия и закрытия впускного и выпускного клапанов. Кулачки 4, 41 - дисковые, вращающиеся, закреплены на распределительном валу (N), кинематически связанном с коленчатым валом зубчатыми передачами 6—7 и 6'—7' (число оборотов распределительного вала в два раза меньше числа оборотов коленчатого вала). Толкатели 5, 5' - роликовые, поступательно движущиеся, с внеосностью е. Закон изменения ускорения толкателя изображен на рисунке (рис. 2б)


а) Индикаторная диаграмма двигателя.
б) Закон изменения толкателя кулачкового механизма.
При проектировании и исследовании механизмов двигателя считать известными параметры, приведенные в табл.1.
В установке отсутствует планетарный редуктор, проектирование которого провести по дополнительному заданию (Приложение III, рис. III-5, табл. III—5).
1.1. Исходные данные
Таблица 1.1.№ | Параметр | Обозначение | Ед.измерения | Значение |
1 | Средняя скорость поршня | (Vв)ср | м/с | 4,28 |
2 | Диаметр цилиндра | d | м | 0,16 |
3 | Отношение длины шатуна к длине кривошипа | lAB / lOA | - | 3,5 |
4 | Отношение расстояния от точки А до центра тяжести шатуна к длине шатуна | lAS2/lAB | - | 0,38 |
5 | Число оборотов коленчатого вала | n1 | с-1 | 13 |
6 | Коэффициент неравномерности вращения коленчатого вала | i | - | 1/100 |
7 | Вес шатуна | G2 | Н | 118 |
8 | Вес поршня | G3 | Н | 186 |
9 | Момент инерции шатуна относительно оси, проходящей через его центр тяжести | I2s | Кгм2 | 0,3 |
10 | Максимальное давление в цилиндре двигателя | Pmax | Па | 29105 |
11 | Момент инерции вращающихся звеньев, приведенных к валу кривошипа. | IПРАР | Кгм2 | 15 |
12 | Угловая координата кривошипа для углового расчета (рис.1) | j0 | град | 30 |
13 | Закон изменения ускорения толкателя (рис2б) | - | - | А |
14 | Величина подъема толкателя впускного клапана | h | м | 0,006 |
15 | Рабочий угол профиля кулачка впускного клапана | dраб | град | 110 |
16 | Угол поворота кулачка, соответствующий дальнему стоянию толкателя | jвыст | град | 0 |
17 | Максимально допустимый угол давления в кулачковом механизме | [υ] | град | 30 |
18 | Внеосность толкателя кулачкового механизма | e | м | 0,0045 |
19 | Числа зубьев колес 6 и 7 (рис.1) | Z6 Z7 | - - | 12 24 |
20 | Модуль зубчатых колес 6 и 7 (рис.1) | m | мм | 5 |
21 | Угол наклона зуба для колес 6 и 7 | | град | 20 |
22 | Параметры исходного контура реечного инструмента | с* | - | 0,25 |
Таблица 1.2.
Путь поршня (в долях хода Н) | SB/H | 0 | 0,05 | 0,0665 | 0,1 | 0,2 | 0,3 |
Всасывание | P/Pmax | 0 | -0,01 | -0,01 | -0,01 | -0,01 | -0,01 |
Сжатие | +0,46 | +0,31 | +0,28 | +0,245 | +0,17 | +0,104 | |
Расширение | +0,46 | +0,09 | +1 | +0,85 | +0,56 | +0,4 | |
Выхлоп | 0 | +0,01 | +0,01 | +0,01 | +0,01 | +0,01 |
0,4 | 0,5 | 0,6 | 0,7 | 0,8 | 0,9 | 1 |
-0,01 | -0,01 | -0,01 | -0,01 | -0,01 | -0,01 | -0,01 |
+0,066 | +0,038 | +0,02 | +0,01 | +0,01 | 0 | -0,01 |
+0,31 | +0,245 | +0,2 | +0,16 | +0,12 | +0,097 | +0,047 |
+0,01 | +0,01 | +0,01 | +0,01 | +0,01 | +0,01 | +0,01 |
Чертежи
Лист 1 - Определение законов движения ![]()
Лист 2 - Силовой расчет механизма ![]()
Лист 3 - Проектирование зубчатой передачи и планетарного редуктора ![]()
Лист 4 - Проектирование кулачкового механизма ![]()
Характеристики курсовой работы
Учебное заведение
Семестр
Номер задания
Вариант
Просмотров
1502
Качество
Идеальное компьютерное
Размер
1,81 Mb
Список файлов
Чертежи.dwg
РПЗ.docx
Давление от хода поршня.xlsx
Давление от хода поршня1.xlsx
Изменение сил от угла.xlsx
Расчеты (Приведенный момент).xlsx
Расчеты (Приведенный момент)1.xlsx
Расчеты(Передаточные функции).xlsx
Расчеты(Передаточные функции)1.xlsx

Вам все понравилось? Получите кэшбэк - 40 рублей на Ваш счёт при покупке. Поставьте оценку и напишите положительный комментарий к купленному файлу. После Вы получите деньги на ваш счет.