Для студентов МГТУ им. Н.Э.Баумана по предмету Теория гироскопов и гиростабилизаторовДвухосный индикаторный гиростабилизатор координатора цели ГСНДвухосный индикаторный гиростабилизатор координатора цели ГСН
5,0052
2021-04-202024-09-03СтудИзба
Курсовая работа: Двухосный индикаторный гиростабилизатор координатора цели ГСН
-41%
Описание
Задано:
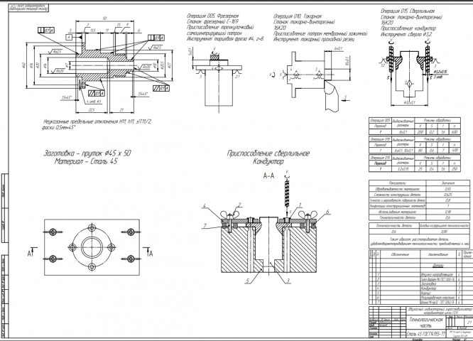
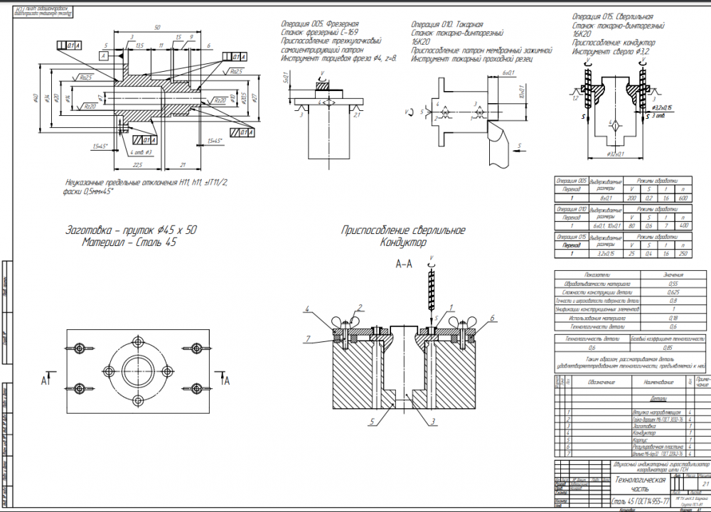
1.Разработать конструкцию двухосного индикаторного гиростабилизатора на базе чувствительного элемента БГТУ для обеспечения угловой стабилизации координатора цели, для измерения угловой скорости линии визирования и определения углового положения координатора относительно объекта. Параметры координатора: 190x190мм, высота Н=250мм, масса m=3,8кг. Тип привода - безредукторный. Тип подвеса - наружный. . Обеспечить углы прокачки по обеим осям: 40Å. 3. Провести расчеты устойчивости каналов стабилизации,
![]()
1.Разработать конструкцию двухосного индикаторного гиростабилизатора на базе чувствительного элемента БГТУ для обеспечения угловой стабилизации координатора цели, для измерения угловой скорости линии визирования и определения углового положения координатора относительно объекта. Параметры координатора: 190x190мм, высота Н=250мм, масса m=3,8кг. Тип привода - безредукторный. Тип подвеса - наружный. . Обеспечить углы прокачки по обеим осям: 40Å. 3. Провести расчеты устойчивости каналов стабилизации,


Файлы условия, демо
Характеристики курсовой работы
Учебное заведение
Семестр
Просмотров
86
Размер
557,51 Kb
Список файлов
Двухосный индикаторный гиростабилизатор координатора цели ГСН
Общий вид.pdf
Спецификация.pdf
Техническое задание.pdf
Технология.pdf
Устойчивость.pdf
Электрическая схема.pdf

Друзья, спасибо за доверие! Если вам понравилась работа – поставьте 5⭐ и напишите отзыв. Это поможет другим студентам, а мне даст силы делать ещё больше качественных материалов для вас 🔥