Для студентов МИЭМ НИУ ВШЭ по предмету Теория электрических цепей (ТЭЦ)Расчёт переходных процессов в электрических схемахРасчёт переходных процессов в электрических схемах
5,0053307
2022-10-152022-10-15СтудИзба
ДЗ 2: Расчёт переходных процессов в электрических схемах вариант 2
Описание
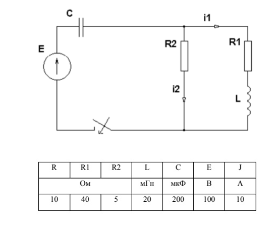
1. Найти выражения для токов и классическим методом.
2. Найти практическую длительность переходного процесса, а в случае колебательного характера этого процесса также и период свободных колебаний и логарифмический декремент колебаний.
3. Построить графики переходных процессов токов и .
4. Рассчитать переходные процессы токов и с помощью программы моделирования электрических и электронных схем.
![]()
2. Найти практическую длительность переходного процесса, а в случае колебательного характера этого процесса также и период свободных колебаний и логарифмический декремент колебаний.
3. Построить графики переходных процессов токов и .
4. Рассчитать переходные процессы токов и с помощью программы моделирования электрических и электронных схем.

Характеристики домашнего задания
Учебное заведение
Номер задания
Вариант
Просмотров
7
Размер
150,31 Kb
Список файлов
Ananyev_dz_2_11401588.docx

Если нужен другой вариант работы или отдельная задача из любой работы, пишите в комментарии