Для студентов НГТУ по предмету Теории электрической связи (ТЭС)РГЗ №1 - Вариант 4 - Подвариант 6РГЗ №1 - Вариант 4 - Подвариант 6
4,96530223
2021-10-062021-10-06СтудИзба
Курсовая работа 1: РГЗ №1 - Вариант 4 - Подвариант 6 вариант 4
Описание
РГЗ №1 - Вариант 4 - Подвариант 6
Часть 1
Сигналы и их характеристики- Сигнал определяется восьмизначным равномерным кодом согласно варианту и подварианту, где символ «0» соответствеует нулевой посылке, а символ «1» – прямоугольному видеоимпульсу напряжения с амплитудным значением 10 В и длительностью 0.1 мкс.
Вариант | Подвариант |
6 | |
4 | 11000010 |
- Записать математическую модель сигнала в виде линейной комбинации функций Хевисайда, построить временной график.
- Найти спектральную плотность сигнала относительно ядра Фурье, построить графики её модуля и аргумента.
- Найти спектр периодической последовательности, полученной повторением данного сигнала, относительно комплексного базиса Фурье, построить амплитудную и фазовую спектральные диаграммы.
- Найти автокорреляционную функцию сигнала, построить график.
- Определить эффективную ширину спектра.
- Найти сигнал, который получается из заданного при воздействии фильтра с прямоугольной АЧХ и линейной ФЧХ, построить временной график полученного сигнала.
Вариант | 4 |
Fср | 24 |
Подвариант | 6 |
S | 0.55 |
- Найти сигнал, который получается из заданного при воздействии RС-фильтра НЧ, построить временной график полученного сигнала.
Вариант | 4 |
R | 250 |
Подвариант | 6 |
C | 550·10-12 |
Часть 2
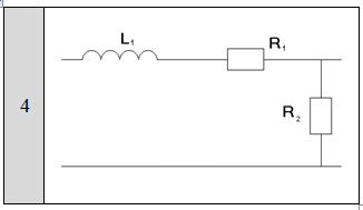
Линейные инвариантные к сдвигу цепи- ЛИС-цепь определяется схемой согласно варианту, её параметры (R в кОм, С в мкФ, L в мГн) – согласно подварианту.
Подвариант | 6 |
R1 | 2.5 |
R2 | 3.5 |
R3 | 3.1 |
C1 | 110 |
C2 | 100 |
L1, мГн | 1.8 |
L2, мГн | 1.3 |

Требуется
- Найти комплексную частотную характеристику цепи, посторить графики АЧХ и ФЧХ
- Найти импульсную и переходную характеристики, построить графики
- Найти отклик цепи на заданный сигнал, построить график
Характеристики курсовой работы
Учебное заведение
Семестр
Номер задания
Вариант
Просмотров
10
Качество
Идеальное компьютерное
Размер
126,04 Kb
Список файлов
РГЗ №1 - Вариант 4 - Подвариант 6
РГЗ №1 - Вариант 4 - Подвариант 6.doc

Вам все понравилось? Получите кэшбэк - 40 рублей на Ваш счёт при покупке. Поставьте оценку и напишите положительный комментарий к купленному файлу. После Вы получите деньги на ваш счет.