Для студентов по предмету Теоретические основы электротехники (ТОЭ)Для электрической цепи, значения ЭДС источников и сопротивлений приемниковДля электрической цепи, значения ЭДС источников и сопротивлений приемников
5,0053273
2025-06-252025-06-25СтудИзба
Задача: Для электрической цепи, значения ЭДС источников и сопротивлений приемников
Описание
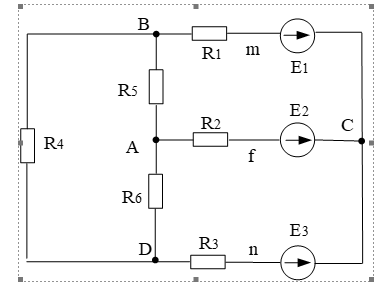
Для электрической цепи, значения ЭДС источников и сопротивлений приемников которой приведены в соответствующем варианте задания табл. 8.2 выполнить следующее:
1. Составить уравнения для определения токов путем непосредственного применения законов Кирхгофа (указав, для каких узлов и контуров эти уравнения записаны). Решать эту систему уравнений не следует.
2.Определить токи в ветвях методом контурных токов.
3. Определить режимы работы активных элементов и составить баланс мощностей.
4. Провести проверку правильности решения задачи по второму закону Кирхгофа
![]()
1. Составить уравнения для определения токов путем непосредственного применения законов Кирхгофа (указав, для каких узлов и контуров эти уравнения записаны). Решать эту систему уравнений не следует.
2.Определить токи в ветвях методом контурных токов.
3. Определить режимы работы активных элементов и составить баланс мощностей.
4. Провести проверку правильности решения задачи по второму закону Кирхгофа
Вариант | рисунок | E1 В | E2 В | E3 В | R1 Ом | R2 Ом | R3 Ом | R4 Ом | R5 Ом | R6 Ом |
21 | 8.15 | 120 | 80 | - | 12 | 15 | 14 | 16 | 18 | 12 |

Характеристики решённой задачи
Просмотров
1
Качество
Идеальное компьютерное
Размер
157,21 Kb
Список файлов
primer (3).docx

Если нужен другой вариант работы или отдельная задача из любой работы, пишите в комментарии