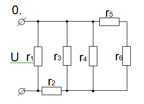
Для студентов по предмету Теоретические основы электротехники (ТОЭ)В электрической цепи определить токи в ветвях, напряжение на зажимах и составить баланс мощностей.В электрической цепи определить токи в ветвях, напряжение на зажимах и составить баланс мощностей.
5,00517980
2022-04-232022-04-23СтудИзба
Задача: В электрической цепи определить токи в ветвях, напряжение на зажимах и составить баланс мощностей.
Описание
В электрической цепи определить токи в ветвях, напряжение на зажимах и составить баланс мощностей.
Исходные данные:

Характеристики решённой задачи
Просмотров
3
Качество
Идеальное компьютерное
Размер
368,83 Kb
Список файлов
Задача.docx
