Главная » Учебные материалы » Теоретические основы электротехники (ТОЭ) » Решения задач » Определить все токи и напряжения на реактивных элементах при переходном процессе классическим методом

Задача: Определить все токи и напряжения на реактивных элементах при переходном процессе классическим методом

Описание

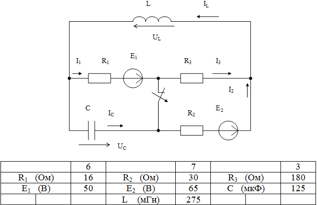
Определить все токи и напряжения на реактивных элементах при переходном процессе классическим методом. Построить графики тока через L и C и напряжений на L и C при переходном процессе.
Составляем схему цепи в режиме до коммутации (размыкания ключа) и по ней определяем независимые начальные условия: ток через катушку и напряжение на конденсаторе до замыкания ключа.

Характеристики решённой задачи

Просмотров
28
Качество
Идеальное компьютерное
Размер
72,14 Kb

Список файлов

1.docx
Картинка-подпись
Если нужен другой вариант работы или отдельная задача из любой работы, пишите в комментарии

Вопросы

Вопрос
нет еще 3 у вас есть такие
Не открывается пишет ошибка 404
Надо подождать немного пока его опубликуют
Сейчас скину ссылки на задачи
вот 3 задачи получается 3х разных вариантов нужны решения
Вопрос
там получается 4 задачи ,нас трое то есть 3 варианта нужно будет
Вопрос
заказать хочу
Вопрос
решить такие же задачи нужно как это сделать
Только эта задача?
Поделитесь ссылкой:
Цена: 99 руб.
Расширенная гарантия +3 недели гарантии, +10% цены
Рейтинг покупателей
5 из 5
Поделитесь ссылкой:
Сопутствующие материалы
Расчёт переходных процессов в электрических цепях. Расчёт магнитных цепей
Рассчитать магнитную цепь методом двух узлов
Генератор постоянного тока напряжением
Расчет цилиндра высокого давления турбоагрегата Т-110/120-130
Определить, на сколько процентов уменьшатся потери теплоты с уходящими газами из котельного агрегата при снижении температуры уходящих газов tух со 145 до tух' 130℃, если известны коэффициент избытка воздуха за котлоагрегатом αух=1,43, объем уходящих
1 кг водяного пара с начальным давлением р1 и степени сухости х1 изотермически расширяется; при этом к нему подводится теплота q. Определить, пользуясь hs-диаграммой, параметры конечного состояния пара, работу расширения, изменение внутренней энерги

Подобрали для Вас услуги

Вы можете использовать решённую задачу для примера, а также можете ссылаться на неё в своей работе. Авторство принадлежит автору работы, поэтому запрещено копировать текст из этой работы для любой публикации, в том числе в свою задачу в учебном заведении, без правильно оформленной ссылки. Читайте как правильно публиковать ссылки в своей работе.
Свежие статьи
Популярно сейчас
Зачем заказывать выполнение своего задания, если оно уже было выполнено много много раз? Его можно просто купить или даже скачать бесплатно на СтудИзбе. Найдите нужный учебный материал у нас!
Ответы на популярные вопросы
Да! Наши авторы собирают и выкладывают те работы, которые сдаются в Вашем учебном заведении ежегодно и уже проверены преподавателями.
Да! У нас любой человек может выложить любую учебную работу и зарабатывать на её продажах! Но каждый учебный материал публикуется только после тщательной проверки администрацией.
Вернём деньги! А если быть более точными, то автору даётся немного времени на исправление, а если не исправит или выйдет время, то вернём деньги в полном объёме!
Да! На равне с готовыми студенческими работами у нас продаются услуги. Цены на услуги видны сразу, то есть Вам нужно только указать параметры и сразу можно оплачивать.
Отзывы студентов
Ставлю 10/10
Все нравится, очень удобный сайт, помогает в учебе. Кроме этого, можно заработать самому, выставляя готовые учебные материалы на продажу здесь. Рейтинги и отзывы на преподавателей очень помогают сориентироваться в начале нового семестра. Спасибо за такую функцию. Ставлю максимальную оценку.
Лучшая платформа для успешной сдачи сессии
Познакомился со СтудИзбой благодаря своему другу, очень нравится интерфейс, количество доступных файлов, цена, в общем, все прекрасно. Даже сам продаю какие-то свои работы.
Студизба ван лав ❤
Очень офигенный сайт для студентов. Много полезных учебных материалов. Пользуюсь студизбой с октября 2021 года. Серьёзных нареканий нет. Хотелось бы, что бы ввели подписочную модель и сделали материалы дешевле 300 рублей в рамках подписки бесплатными.
Отличный сайт
Лично меня всё устраивает - и покупка, и продажа; и цены, и возможность предпросмотра куска файла, и обилие бесплатных файлов (в подборках по авторам, читай, ВУЗам и факультетам). Есть определённые баги, но всё решаемо, да и администраторы реагируют в течение суток.
Маленький отзыв о большом помощнике!
Студизба спасает в те моменты, когда сроки горят, а работ накопилось достаточно. Довольно удобный сайт с простой навигацией и огромным количеством материалов.
Студ. Изба как крупнейший сборник работ для студентов
Тут дофига бывает всего полезного. Печально, что бывают предметы по которым даже одного бесплатного решения нет, но это скорее вопрос к студентам. В остальном всё здорово.
Спасательный островок
Если уже не успеваешь разобраться или застрял на каком-то задание поможет тебе быстро и недорого решить твою проблему.
Всё и так отлично
Всё очень удобно. Особенно круто, что есть система бонусов и можно выводить остатки денег. Очень много качественных бесплатных файлов.
Отзыв о системе "Студизба"
Отличная платформа для распространения работ, востребованных студентами. Хорошо налаженная и качественная работа сайта, огромная база заданий и аудитория.
Отличный помощник
Отличный сайт с кучей полезных файлов, позволяющий найти много методичек / учебников / отзывов о вузах и преподователях.
Отлично помогает студентам в любой момент для решения трудных и незамедлительных задач
Хотелось бы больше конкретной информации о преподавателях. А так в принципе хороший сайт, всегда им пользуюсь и ни разу не было желания прекратить. Хороший сайт для помощи студентам, удобный и приятный интерфейс. Из недостатков можно выделить только отсутствия небольшого количества файлов.
Спасибо за шикарный сайт
Великолепный сайт на котором студент за не большие деньги может найти помощь с дз, проектами курсовыми, лабораторными, а также узнать отзывы на преподавателей и бесплатно скачать пособия.
Популярные преподаватели
Добавляйте материалы
и зарабатывайте!
Продажи идут автоматически
7254
Авторов
на СтудИзбе
246
Средний доход
с одного платного файла
Обучение Подробнее