Для студентов СамГУПС по предмету Теоретические основы электротехники (ТОЭ)Расчёт линейной цепи при несинусоидальных ЭДС и токахРасчёт линейной цепи при несинусоидальных ЭДС и токах
4,955286
2025-04-222025-04-22СтудИзба
Вопросы/задания к контрольной работе: Расчёт линейной цепи при несинусоидальных ЭДС и токах
Описание
Вариант 26
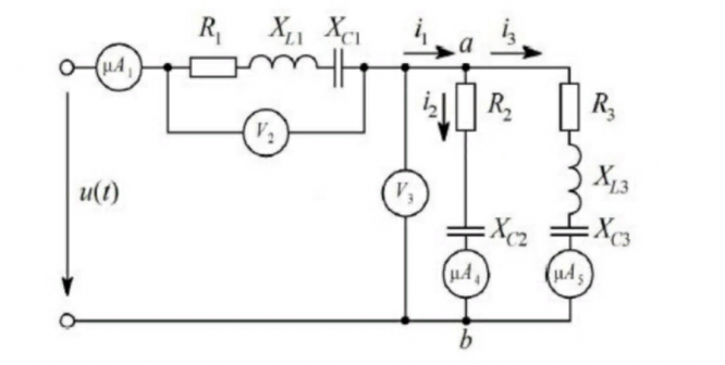
Приложенный к схеме (рис.1) входной сигнал u(t) изменяется по гармоническому закону (рис.2).
Воспользовавшись разложением входного сигнала в ряд Фурье, учитывая постоянную составляющую отличных от нули первые три гармоники, необходимо определить:
1. Мгновенные значения токов в ветвях цепи;
2. Построить график мгновенных значений измеряемых приборами величины в функции времени;
3. Показания электродинамических приборов;
4. Активную мощность цепи.
Данные для решения задачи:
Em= 38B
T = 0.02с
Найти показание шестого прибора
Характеристики вопросов/заданий к КР
Учебное заведение
Просмотров
1
Размер
411,02 Kb
Список файлов
РГР Надеждина ОД-05 (1).docx
Комментарии
Нет комментариев
Стань первым, кто что-нибудь напишет!
СамГУПС
all_at_700

















