Для студентов НИЯУ МИФИ в г. Северск по предмету Теоретические основы электротехники (ТОЭ)Расчет цепи переменного токаРасчет цепи переменного тока
5,0053155
2025-09-302025-09-30СтудИзба
ДЗ: Расчет цепи переменного тока
Новинка
Описание
Оглавление
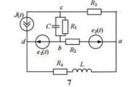
Расчетная и приведенные схемы...............................................................................................................2
Исходные данные........................................................................................................................................3
Расчёт схемы методом законов Кирхгофа ................................................................................................3
Решение метод контурных токов...............................................................................................................4
Решение методом наложения ...................................................................................................................6
Расчет баланса потребляемой и вырабатываемой мощности................................................................9
Расчет тока методом эквивалентного генератора .................................................................................10
Потенциальна диаграмма для контура (bcab)........................................................................................11
Вывод по выполненной РГР......................................................................................................................13
![]()
Расчетная и приведенные схемы...............................................................................................................2
Исходные данные........................................................................................................................................3
Расчёт схемы методом законов Кирхгофа ................................................................................................3
Решение метод контурных токов...............................................................................................................4
Решение методом наложения ...................................................................................................................6
Расчет баланса потребляемой и вырабатываемой мощности................................................................9
Расчет тока методом эквивалентного генератора .................................................................................10
Потенциальна диаграмма для контура (bcab)........................................................................................11
Вывод по выполненной РГР......................................................................................................................13


Характеристики домашнего задания
Учебное заведение
Просмотров
1
Качество
Идеальное компьютерное
Размер
1,07 Mb
Список файлов
obrazec.pdf

Если нужен другой вариант работы или отдельная задача из любой работы, пишите в комментарии