Для студентов СПбГЭТУ им. Ульянова (Ленина) по предмету Теоретические основы электротехники (ТОЭ)Аналитический расчёт переходных процессов в электрических цепяхАналитический расчёт переходных процессов в электрических цепях
4,905193
2023-04-042023-04-04СтудИзба
Курсовая работа: Аналитический расчёт переходных процессов в электрических цепях
Описание
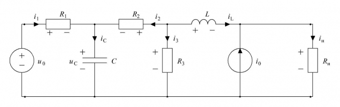
В ходе курсовой работы будут выполнены следующие требования: составлены уравнения состояния цепи для t ≥ 0 и найдены их аналитические решения; найдены решения уравнений, используя численную процедуру Эйлера; определено уравнение связи напряжения uRн (t) на резисторе Rн с переменными состояния iL (t) и uC (t); построены графики аналитического и численного решения для iL(t) и uC (t); построен график uRн (t).



Характеристики курсовой работы
Учебное заведение
Просмотров
4
Размер
1,03 Mb
Список файлов
курсач цепь 2 порядка.docx