Для студентов ДВФУ по предмету Теоретическая механикаОсевое растяжение-сжатие. Определение размеров сечений стержней статически неопределимой стержневой конструкциОсевое растяжение-сжатие. Определение размеров сечений стержней статически неопределимой стержневой конструкци
5,00518006
2025-10-062025-10-06СтудИзба
Задача 2б: Осевое растяжение-сжатие. Определение размеров сечений стержней статически неопределимой стержневой конструкци
Новинка
Описание
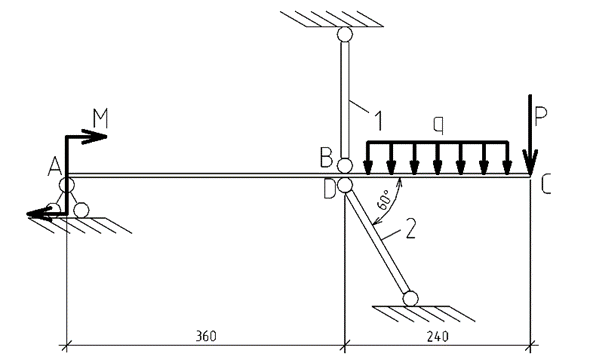
Определение размеров сечений стержней статически неопределимой стержневой конструкции
Вариант | q кН/м | P кН | M кН*м | F1/F2 |
53 | 36 | 85 | 65 | 1,7 |
Материал стержней считать одинаковым – сталью с модулем продольной упругости
Е = 2,105 МПа. Для материала стержней принять допускаемые напряжения на растяжение [σ]p = 160 МПа и на сжатие [σ]с = 80 МПа.
Материал стержней считать одинаковым. Длина первого стержня L1 = 100 см, а второго – L2 = 200 см


Файлы условия, демо
Характеристики решённой задачи
Предмет
Учебное заведение
Номер задания
Вариант
Просмотров
0
Размер
63,3 Kb
Список файлов
Задача.docx
