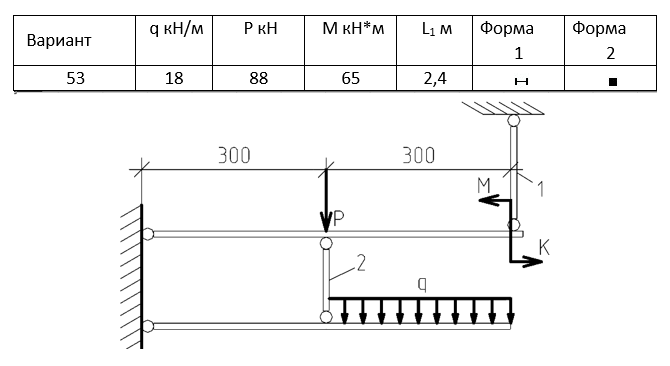
Для студентов ДВФУ по предмету Теоретическая механикаОсевое растяжение-сжатие. Определение размеров сечения стержней статически определимой стержневой конструкции.Осевое растяжение-сжатие. Определение размеров сечения стержней статически определимой стержневой конструкции.
5,00518018
2025-10-062025-10-06СтудИзба
Задача 2а: Осевое растяжение-сжатие. Определение размеров сечения стержней статически определимой стержневой конструкции.
Новинка
Описание
Файлы условия, демо
Характеристики решённой задачи
Предмет
Учебное заведение
Номер задания
Вариант
Просмотров
2
Размер
108,31 Kb
Список файлов
Задача.docx
