ДЗ 2: Колебания линейной системы с одной степенью свободы вариант 4
Описание


Показать/скрыть дополнительное описание
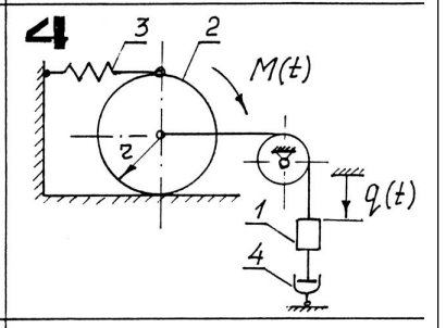
Колебания линейной системы с одной степенью свободы. Авторы Ильин М. М., Пожалостин А. А., Тушева Г. М. Издательство МГТУ им. Н. Э. Баумана 2002 год. УСЛОВИЯ ДОМАШНИХ ЗАДАНИЙ Рассматриваются малые колебания механической системы с одной степенью свободы около положения устойчивого равновесия. Механические системы представляют собой плоские механизмы, расположенные в вертикальной плоскости и состоящие из твёрдых тел, нитей, демпферов и упругих элементов. Необходимые числовые данные приведены в таблице и, где это необходимо, на схемах задач. Для всех вариантов на схемах задана обобщённая координата q(t) , отсчитываемая от положения равновесия в невозмущенном состоянии, а в таблице - соответствующие ей начальные условия.
На всех схемах номерами 1, 2 обозначены звенья, массу которых необходимо учитывать при составлении дифференциального уравнения, номером 3 - упругий элемент, номером 4 - демпфер. Силы и моменты воздействия упругих элементов на тела пропорциональны удлинению пружин или углу закручивания спиральных пружин. Демпфер создает силу линейно-вязкого сопротивления R vп 4 , пропорциональную скорости движения поршня п v , где μ4 > 0 - коэффициент сопротивления демпфера. Там, где это необходимо, на схемах вариантов указан радиус инерции звена относительно центральной оси, в остальных вариантах тела вращения принять за однородные сплошные цилиндры. В вариантах 1,2,3,4, 9, 21, 27 характеристики упругих элементов заданы через их статические деформации 3 ст , (линейные или угловые).
Внешнее воздействие во всех вариантах изменяется во времени по закону sinpt. При выполнении домашнего задания \"Малые колебания - определение параметров колебательного процесса\" необходимо: 1. Составить дифференциальное уравнение малых колебаний системы. 2. Получить решение этого уравнения и, используя заданные начальные условия, определить постоянные интегрирования. 3. Определить период установившихся вынужденных колебаний Tв и добротность системы Д, а для вариантов с малым линейно-вязким сопротивлением (n < k ) дополнительно: Т1 - условный период затухающих колебаний, δ - логарифмический декремент колебаний, τ0- постоянную времени затухающих колебаний.
При выполнении домашнего задания \"Малые колебания - исследование колебательного процесса\" предполагается, что по истечении времени 4Tв + 3/n (4Tв + 3 τ0) амплитуда внешнего воздействия увеличивается в два раза, а еще через такой же промежуток времени внешнее воздействие прекращается. Необходимо: 1. Исследовать амплитудно-частотную и фазочастотную характеристики системы. 2. Исследовать процессы перехода от начального возмущенного состояния к установившимся вынужденным колебаниям, от установившихся вынужденных колебаний при исходной амплитуде внешнего воздействия к установившимся колебаниям при удвоении амплитуды и от последних к состоянию покоя после прекращения внешнего воздействия.
3. Построить график q(t), включающий все переходные процессы. .
Характеристики домашнего задания
Список файлов
