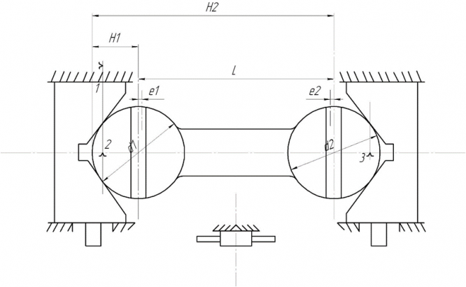
Для студентов по предмету Технология машиностроения (ТМ)В головках шатуна набором фрез обрабатываются пазы шириной В1 и В2. Вследствие неточностей обработки базовых поверхностей d1 и d2 межосевого расстояниВ головках шатуна набором фрез обрабатываются пазы шириной В1 и В2. Вследствие неточностей обработки базовых поверхностей d1 и d2 межосевого расстояни
5,0053
2022-10-052022-10-05СтудИзба
В головках шатуна набором фрез обрабатываются пазы шириной В1 и В2. Вследствие неточностей обработки базовых поверхностей d1 и d2 межосевого расстояния L возникают отклонения от соосности пазов относительно головок шатуна е1 и е2. Вывести расчетные з
Бестселлер
Описание
В головках шатуна набором фрез обрабатываются пазы шириной В1 и В2. Вследствие неточностей обработки базовых поверхностей d1 и d2 межосевого расстояния L возникают отклонения от соосности пазов относительно головок шатуна е1 и е2. Вывести расчетные зависимости для определения погрешностей базирования E δе1 и E δе2. Угол призмы α.

Характеристики решённой задачи
Семестр
Номер задания
Программы
Просмотров
14
Качество
Идеальное компьютерное
Размер
112,79 Kb
Список файлов
Задача.docx
