Для студентов по предмету Технология машиностроения (ТМ)Деталь изготовляется в условиях мелкосерийного производства согласно эскизу, представленному на рисунке 1. Требуется: выбрать тип станка, дать наименДеталь изготовляется в условиях мелкосерийного производства согласно эскизу, представленному на рисунке 1. Требуется: выбрать тип станка, дать наимен
5,00518032
2022-10-062022-10-06СтудИзба
Деталь изготовляется в условиях мелкосерийного производства согласно эскизу, представленному на рисунке 1. Требуется: выбрать тип станка, дать наименование операции, установить содержание операции и последовательность выполнения переходов. Рисуно
Описание
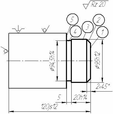
Деталь изготовляется в условиях мелкосерийного производства согласно эскизу, представленному на рисунке 1.
Требуется: выбрать тип станка, дать наименование операции, установить содержание операции и последовательность выполнения переходов.
Рисунок 1 – Операционный эскиз
Характеристики решённой задачи
Номер задания
Программы
Просмотров
2
Качество
Идеальное компьютерное
Размер
32,24 Kb
Список файлов
Задача.docx
