Для студентов МГТУ им. Н.Э.Баумана по предмету Технология машиностроения (ТМ)Разработка маршрута технологического процесса изготовления деталиРазработка маршрута технологического процесса изготовления детали
5,0053374
2024-07-262024-11-08СтудИзба
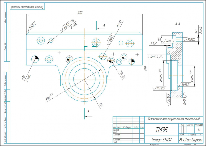
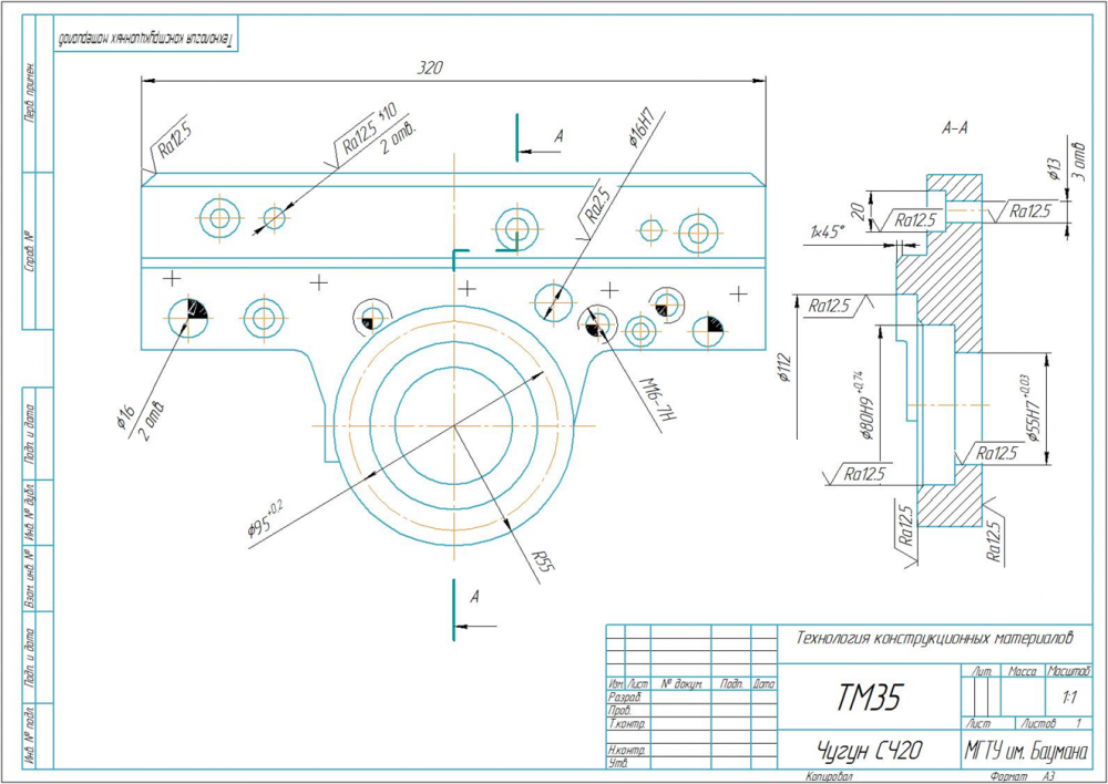
ДЗ: Разработка маршрута технологического процесса изготовления детали вариант ТМ-35
Описание
Характеристики домашнего задания
Учебное заведение
Вариант
Просмотров
81
Качество
Идеальное компьютерное
Размер
575,03 Kb
Список файлов
TM35 (2).docx
Комментарии
Нет комментариев
Стань первым, кто что-нибудь напишет!
МГТУ им. Н.Э.Баумана
A45162


















