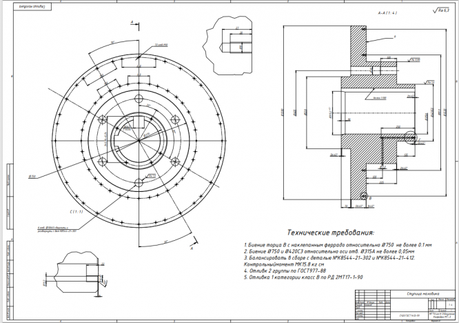
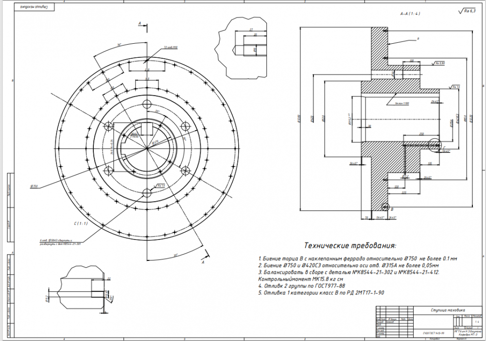
Для студентов МГТУ им. Н.Э.Баумана по предмету Технология машиностроения (ТМ)Разработка технологических процессов механической обработки детали "ступица"Разработка технологических процессов механической обработки детали "ступица"
5,00515
2023-06-062023-06-06СтудИзба
ДЗ 1: Разработка технологических процессов механической обработки детали "ступица"
Описание
Характеристики домашнего задания
Учебное заведение
Номер задания
Программы
Просмотров
47
Размер
1,5 Mb
Преподаватели
Список файлов
ДЗ ТМ 1.pdf
Комментарии
Нет комментариев
Стань первым, кто что-нибудь напишет!
МГТУ им. Н.Э.Баумана
stepancska


















