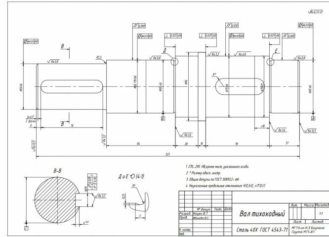
Для студентов МГТУ им. Н.Э.Баумана по предмету Технология машиностроения (ТМ)Разработка технологических процессов механической обработки детали Вал тихоходныйРазработка технологических процессов механической обработки детали Вал тихоходный
5,0055
2021-03-042024-09-03СтудИзба
ДЗ: Разработка технологических процессов механической обработки детали Вал тихоходный
-66%
Описание
Характеристики домашнего задания
Учебное заведение
Просмотров
197
Размер
295,71 Kb
Список файлов
ДЗ №1
Детал Вал.pdf
Дз МТ3 Нгуен Ван Тунг МТ1-81.docx
Маршрут Нгуен Ван Тунг МТ1-81.pdf
Содержание ДЗ.docx
Содержание КП.docx

Друзья, спасибо за доверие! Если вам понравилась работа – поставьте 5⭐ и напишите отзыв. Это поможет другим студентам, а мне даст силы делать ещё больше качественных материалов для вас 🔥