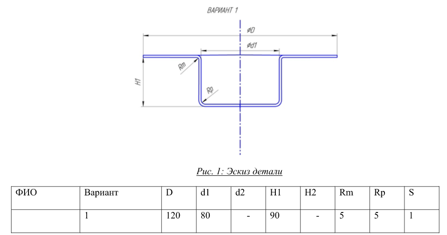
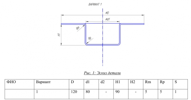
Для студентов МГТУ им. Н.Э.Баумана по предмету Технология листовой штамповки (ТЛШ) (МТ-6)Технология листовой штамповки ДЗ2Технология листовой штамповки ДЗ2
5,0051
2022-06-272022-06-27СтудИзба
ДЗ: Технология листовой штамповки ДЗ2
Описание

Характеристики домашнего задания
Учебное заведение
Семестр
Просмотров
44
Размер
699,72 Kb
Список файлов
output (2).pdf