Для студентов МГТУ им. Н.Э.Баумана по предмету Технология конструкционных материалов (ТКМ)Механическая обработка заготовок деталей машин - Зубчатое колесоМеханическая обработка заготовок деталей машин - Зубчатое колесо
5,0053
2025-10-132025-10-13СтудИзба
ДЗ 3: Механическая обработка заготовок деталей машин - Зубчатое колесо
ДЗ 3: Механическая обработка заготовок деталей машин - Зубчатое колесо вариант 21, 11
Новинка
Описание
ДЗ№2 по ТКМ - Зубчатое колесо.
Выполнено по семинарам Бугаева А.М. Зачтено.
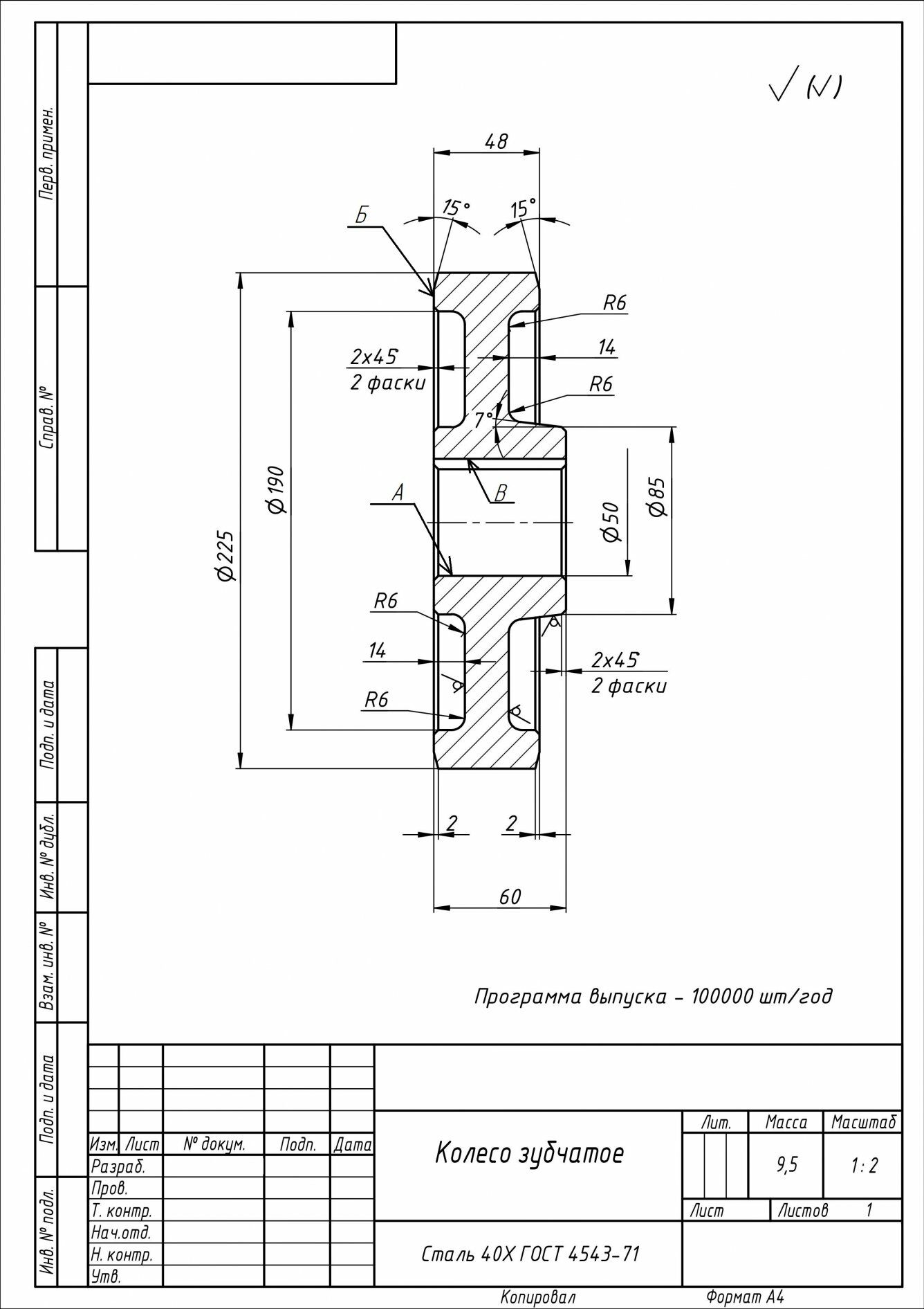
Задача №1
Для поверхностей (А, Б, В), указанных на чертеже, выбрать методы и способы их обработки согласно требованиям к точности размеров и шероховатости поверхности, установленным чертежом детали.
С учетом типа производства или объема выпуска для выбранных способов обработки указанных поверхностей назначить и обосновать тип оборудования, режущего инструмента, составить рациональные схемы обработки этих поверхностей и разработать последовательность обработки каждой из поверхностей, начиная от заготовки.
Задача №2
Выполняется на основе анализа чертежа детали.
Оценка технологичности конструкции проводится с учетом ряда типовых условий и правил, нарушение которых усложняет технологию, повышает себестоимость и процент брака при изготовлении.
Учитывая типовые правила проектирования деталей машин, а также условия обработки поверхностей заданной детали предложить рекомендации по улучшению технологичности конструкции.
Исходные данные:
Показать/скрыть дополнительное описание
Выполнено по семинарам Бугаева А.М. Зачтено.
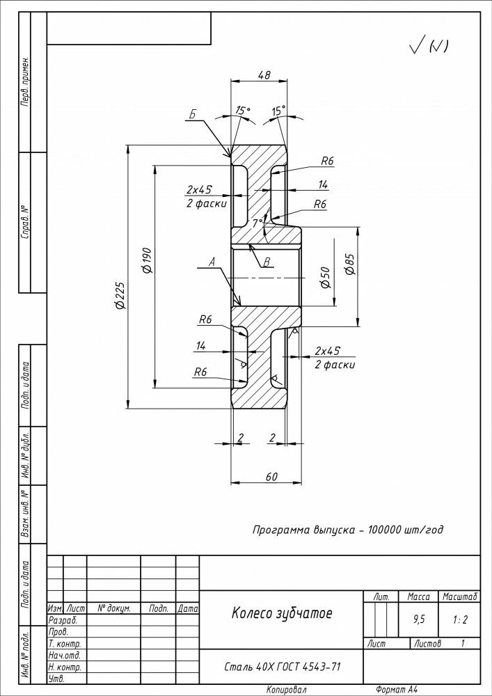
Задача №1
Для поверхностей (А, Б, В), указанных на чертеже, выбрать методы и способы их обработки согласно требованиям к точности размеров и шероховатости поверхности, установленным чертежом детали.
С учетом типа производства или объема выпуска для выбранных способов обработки указанных поверхностей назначить и обосновать тип оборудования, режущего инструмента, составить рациональные схемы обработки этих поверхностей и разработать последовательность обработки каждой из поверхностей, начиная от заготовки.
Задача №2
Выполняется на основе анализа чертежа детали.
Оценка технологичности конструкции проводится с учетом ряда типовых условий и правил, нарушение которых усложняет технологию, повышает себестоимость и процент брака при изготовлении.
Учитывая типовые правила проектирования деталей машин, а также условия обработки поверхностей заданной детали предложить рекомендации по улучшению технологичности конструкции.
Исходные данные:


ДЗ 3 по ТКМ МГТУ Баумана: Механическая обработка заготовок деталей машин - Зубчатое колесо.
Файлы условия, демо
Характеристики домашнего задания
Учебное заведение
Номер задания
Программы
Просмотров
0
Качество
Идеальное компьютерное
Размер
482,41 Kb
Преподаватели
Список файлов
ТКМ ДЗ№2 Резание.docx