Для студентов МГТУ им. Н.Э.Баумана по предмету Технология конструкционных материалов (ТКМ)Технология изготовления поковок - Зубчатое колесоТехнология изготовления поковок - Зубчатое колесо
5,0053
2025-10-132025-10-13СтудИзба
ДЗ 2: Технология изготовления поковок - Зубчатое колесо
ДЗ 2: Технология изготовления поковок - Зубчатое колесо вариант 21, 11
Новинка
Описание
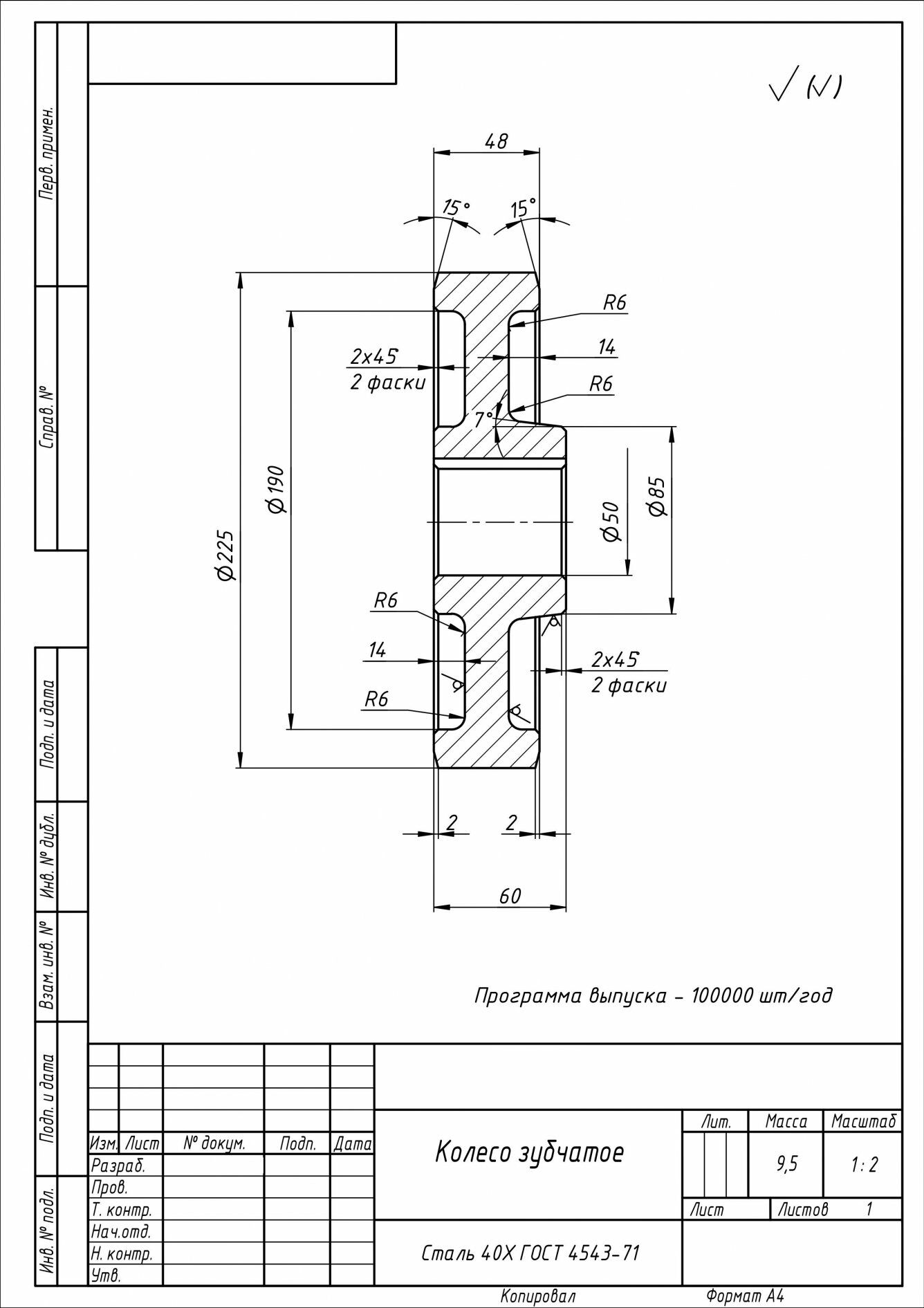
ДЗ№1 по ТКМ - Зубчатое колесо.
Приложены технология изготовления поковок И сварных конструкций.
Выполнено по семинарам Дрижова В.С. Зачтено.
Исходные данные:
Показать/скрыть дополнительное описание
Приложены технология изготовления поковок И сварных конструкций.
Выполнено по семинарам Дрижова В.С. Зачтено.
Исходные данные:

ДЗ 2 ТКМ МГТУ Баумана: Технология изготовления поковок и сварных конструкций - Зубчатое колесо Дрижов.
Файлы условия, демо
Характеристики домашнего задания
Учебное заведение
Номер задания
Программы
Просмотров
0
Размер
317,81 Kb
Преподаватели
Список файлов
маршрутная карта штамповки.pdf
ТКМ ДЗ№1 Поковка.docx
чертеж поковки.pdf
схема изготовления элементов сварной заготовки.pdf
схема сборки свариваемых элементов.pdf
схема сварки.pdf