Для студентов МГТУ им. Н.Э.Баумана по предмету Технология конструкционных материалов (ТКМ)Разработка технологии изготовления отливок - Зубчатое колесоРазработка технологии изготовления отливок - Зубчатое колесо
5,0053
2025-10-132025-10-13СтудИзба
ДЗ 1: Разработка технологии изготовления отливок - Зубчатое колесо
ДЗ 1: Разработка технологии изготовления отливок - Зубчатое колесо вариант 21, 11
Новинка
Описание
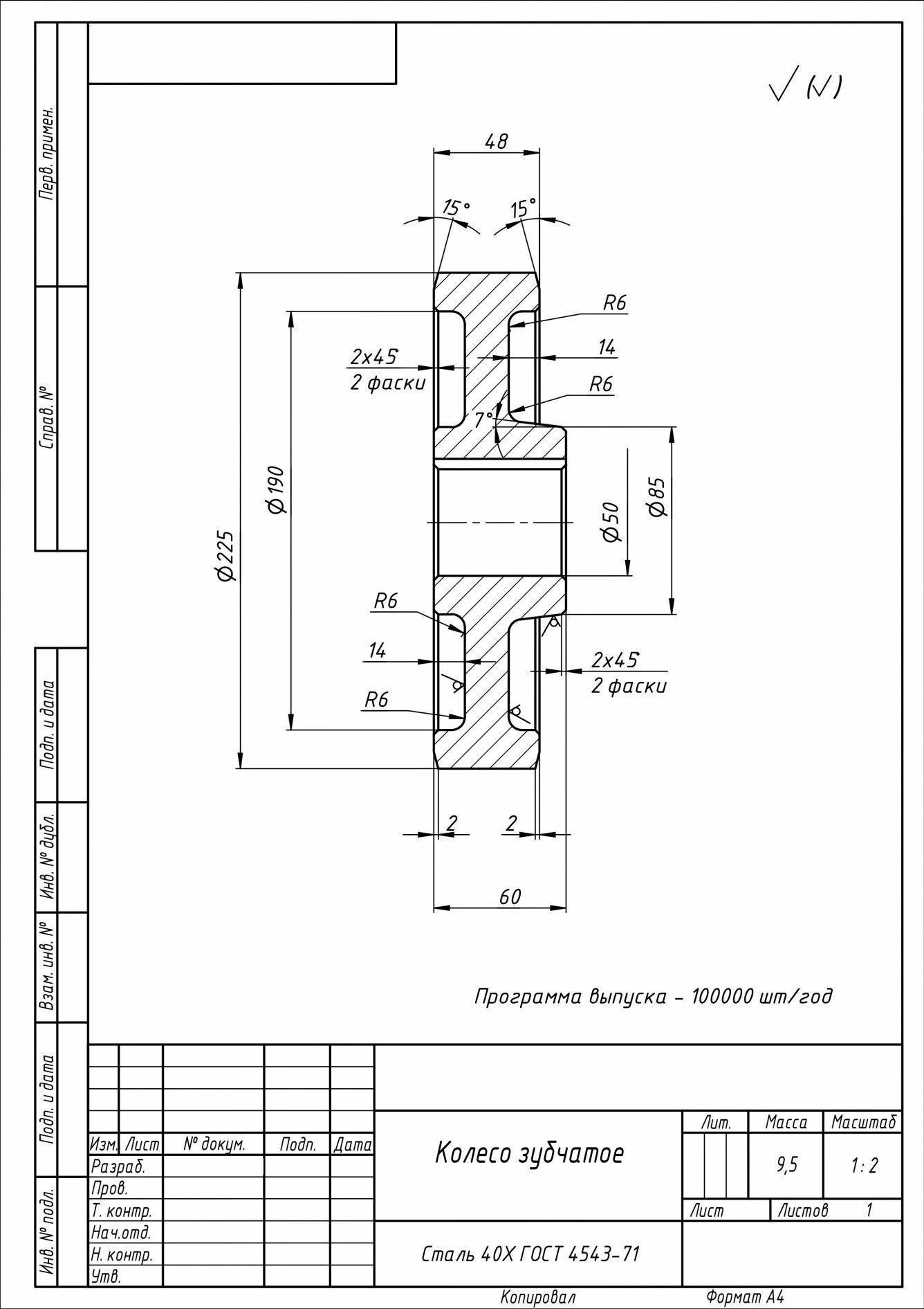
ДЗ№1 по ТКМ - Зубчатое колесо.
Выполнено по семинарам Дрижова В.С. Зачтено.
Исходные данные:
Показать/скрыть дополнительное описание
Выполнено по семинарам Дрижова В.С. Зачтено.
Исходные данные:

ДЗ 1 ТКМ МГТУ Баумана: Разработка технологии изготовления отливок - Зубчатое колесо Дрижов.
Файлы условия, демо
Характеристики домашнего задания
Учебное заведение
Номер задания
Программы
Просмотров
0
Качество
Идеальное компьютерное
Размер
120,38 Kb
Преподаватели
Список файлов
литейная форма.pdf
литейный чертеж отливки.pdf
ТКМ ДЗ№1 Отливка.docx
чертеж элементов литейной формы и отливки.pdf