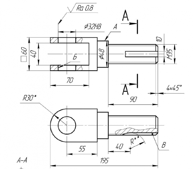
Для студентов МГТУ им. Н.Э.Баумана по предмету Технология конструкционных материалов (ТКМ)Механическая обработка заготовок деталей машин - ВилкаМеханическая обработка заготовок деталей машин - Вилка
5,00520
2021-06-132021-06-13СтудИзба
ДЗ 3: Механическая обработка заготовок деталей машин - Вилка вариант 14, 25
Описание
Характеристики домашнего задания
Учебное заведение
Номер задания
Просмотров
241
Размер
1,33 Mb
Список файлов
ДЗ№2 по ТКМ.pdf
Комментарии
Нет комментариев
Стань первым, кто что-нибудь напишет!
МГТУ им. Н.Э.Баумана
vk_189676070


















