Для студентов МГТУ им. Н.Э.Баумана по предмету Технология конструкционных материалов (ТКМ)Механическая обработка заготовок деталей машин - ВилкаМеханическая обработка заготовок деталей машин - Вилка
4,66514
2020-10-162020-10-16СтудИзба
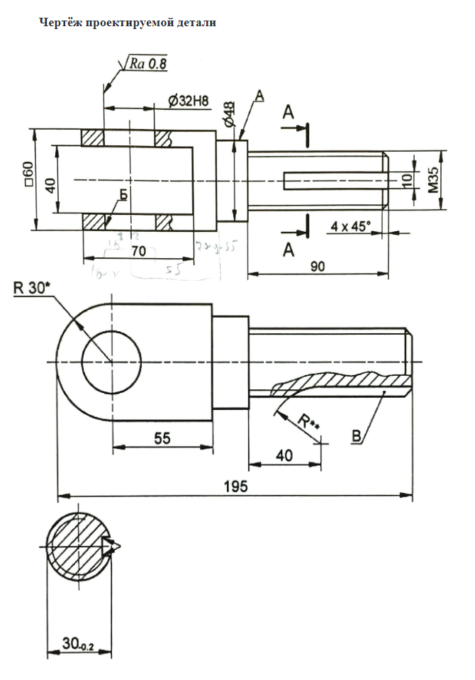
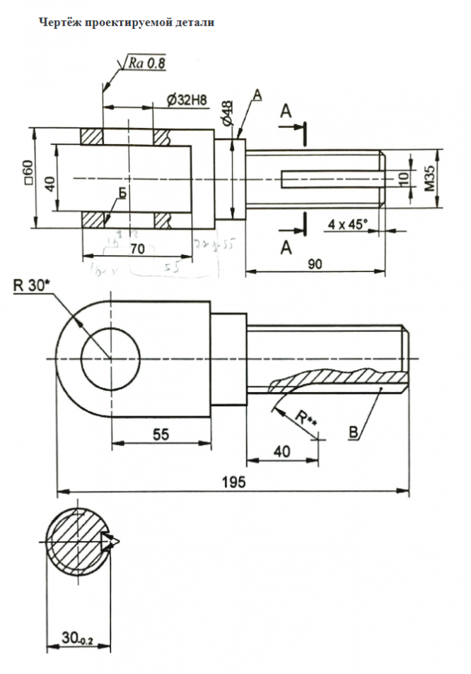
ДЗ 3: Механическая обработка заготовок деталей машин - Вилка вариант 14, 25
Описание
Характеристики домашнего задания
Учебное заведение
Номер задания
Просмотров
255
Размер
1,06 Mb
Список файлов
Домашнее задание №1 Проектирование детали Вилка (вариант №25).pdf

НОВИНКА: отчеты по практикам! Поиск - по названию предприятия в тэге. База учебных материалов МГТУ им. Н.Э. Баумана в формате pdf, оригиналы файлов отсутствуют (если иное не оговорено в описании). Вопросы задавайте ДО покупки в комментариях под файлами.