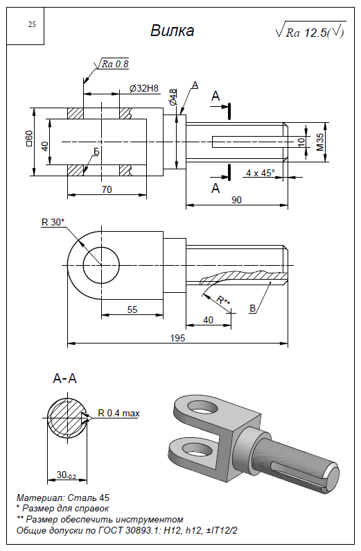
Для студентов МГТУ им. Н.Э.Баумана по предмету Технология конструкционных материалов (ТКМ)Технология изготовления поковок - ВилкаТехнология изготовления поковок - Вилка
5,00513
2015-11-242025-09-29СтудИзба
ДЗ 2: Технология изготовления поковок - Вилка вариант 25
-51%
Описание
Характеристики домашнего задания
Учебное заведение
Номер задания
Вариант
Программы
Просмотров
1392
Качество
Идеальное компьютерное
Размер
1,65 Mb
Список файлов
Технология изготовления поковок - Вилка
Вилка.idw
Вилка.ipt
Вилка.pdf
Разработка чертежа поковки.idw
Разработка чертежа поковки.pdf
Чертёж поковки.idw
Чертёж поковки.pdf
Эскиз штампа с чистовым ручьём.idw
Эскиз штампа с чистовым ручьём.pdf

Вам все понравилось? Получите кэшбэк - 40 рублей на Ваш счёт при покупке. Поставьте оценку и напишите положительный комментарий к купленному файлу. После Вы получите деньги на ваш счет.