Для студентов МГТУ им. Н.Э.Баумана по предмету Технология конструкционных материалов (ТКМ)Разработка технологии изготовления отливок - Опора направляющаяРазработка технологии изготовления отливок - Опора направляющая
5,0056
2021-05-052021-05-05СтудИзба
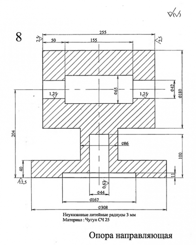
ДЗ 1: Разработка технологии изготовления отливок - Опора направляющая вариант 8
Описание
Задание выполнено с созданием БОЛЕЕ ТЕХНОЛОГИЧНОЙ (ДОРАБОТАННОЙ) детали. ![]()

Характеристики домашнего задания
Учебное заведение
Номер задания
Вариант
Просмотров
179
Качество
Идеальное компьютерное
Размер
599,7 Kb
Преподаватели
Список файлов
ДЗ1.В8. Чугун СЧ25.docx
Чертеж модели и ЛФ.cdw