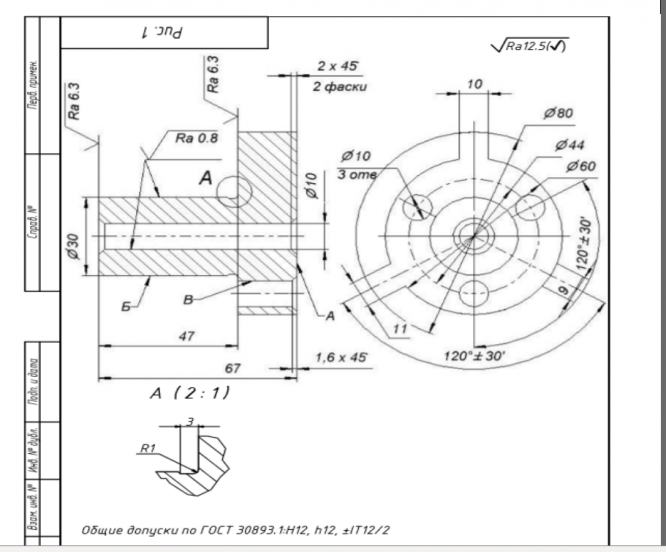
ДЗ 3: Механическая обработка заготовок деталей машин - Поршень вариант 43
Описание
Характеристики домашнего задания
Учебное заведение
Номер задания
Вариант
Просмотров
195
Качество
Идеальное компьютерное
Размер
281 Kb
Список файлов
Обработка резанием.docx
Отзывы
Отзыв
.
МГТУ им. Н.Э.Баумана
Keyno


















