Для студентов МГТУ им. Н.Э.Баумана по предмету Технология конструкционных материалов (ТКМ)Разработка технологии изготовления отливок - БарабанРазработка технологии изготовления отливок - Барабан
5,0053
2020-04-252025-06-06СтудИзба
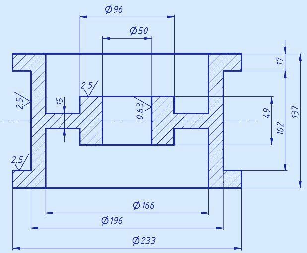
ДЗ 1: Разработка технологии изготовления отливок - Барабан вариант 7, 9
Описание

Характеристики домашнего задания
Учебное заведение
Номер задания
Просмотров
211
Размер
188,89 Kb
Список файлов
ReadMe.txt
ткм 8 вар Лебедев.docx
Если вам понравился файл - пожалуйста, оцените его. Спасибо!
МГТУ им. Н.Э.Баумана
JohnWick
















