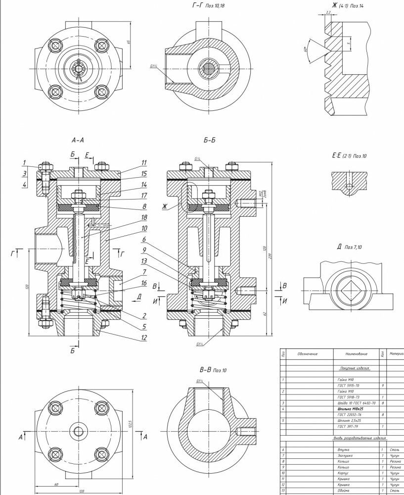
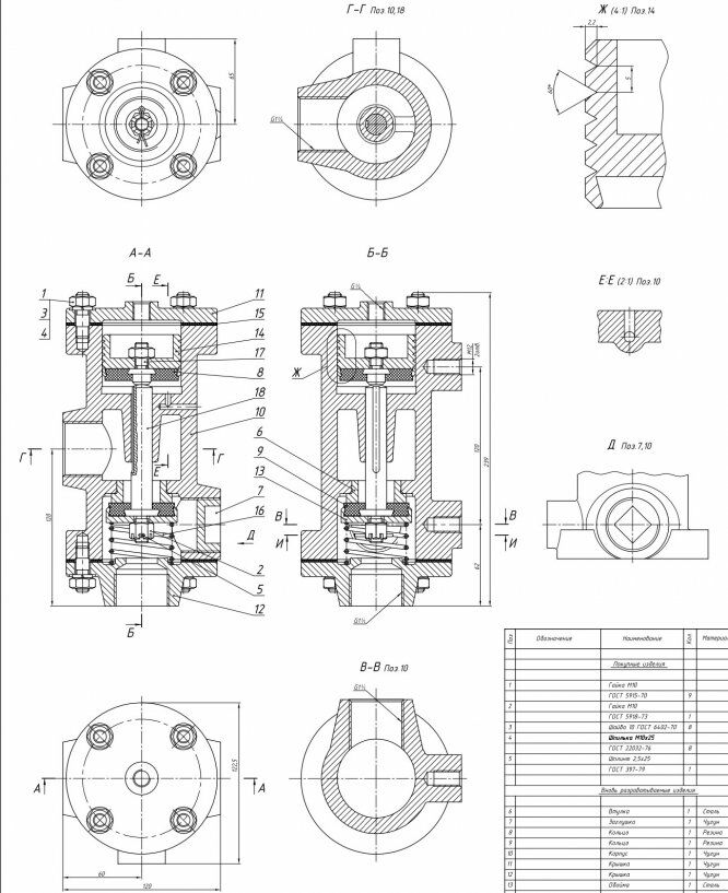
Для студентов МГТУ им. Н.Э.Баумана по предмету Инженерная графикаКлапан №1Клапан №1
5,0052
2022-10-052024-10-06СтудИзба
ДЗ А: Клапан №1 вариант 4
-55%
Описание
Характеристики домашнего задания
Предмет
Учебное заведение
Семестр
Номер задания
Вариант
Просмотров
431
Размер
205,49 Kb
Список файлов
№1 Клапан.pdf

Друзья, спасибо за доверие! Если вам понравилась работа – поставьте 5⭐ и напишите отзыв. Это поможет другим студентам, а мне даст силы делать ещё больше качественных материалов для вас 🔥