Для студентов МГТУ им. Н.Э.Баумана по предмету Технология конструкционных материалов (ТКМ)Механическая обработка заготовок деталей машин - Колесо зубчатоеМеханическая обработка заготовок деталей машин - Колесо зубчатое
5,005202
2018-05-192024-09-01СтудИзба
ДЗ 3: Механическая обработка заготовок деталей машин - Колесо зубчатое вариант 8
-51%
Описание
Содержание
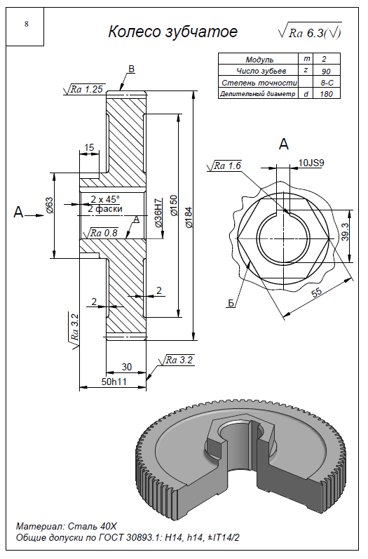
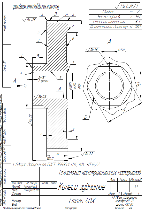
- I. Общий анализ детали.
1. Деталь – тело вращения;
2. Материал – Сталь 40Х;
3. Жесткость конструкции – L/D = 50/184 = 0,27, из чего делаем вывод, что конструкция жесткая.
- II. Выбор заготовки.
1. Тип заготовки – прокат круглого поперечного сечения размером Ø190х55, т.к. производство единичное, а max Ø < 280 мм. - III. Выбор методов и видов обработки поверхностей.
- IV.Анализ технологичности обработки поверхностей.
- V. Анализ поверхностей А, Б, В.
Чертежи
- Исходная деталь
- Заготовка
- Обработка поверхностей
Характеристики домашнего задания
Учебное заведение
Номер задания
Вариант
Программы
Просмотров
1460
Качество
Идеальное компьютерное
Размер
492,64 Kb
Список файлов
Механическая обработка заготовок деталей машин - Зубчатое колесо
А.png
Б.png
В.png
Заготовка.cdw
Заготовка.pdf
Колесо зубчатое.cdw
Колесо зубчатое.pdf
Обработка поверхностей.cdw
Обработка поверхностей.pdf
РПЗ.docx
Технологиченый чертеж.cdw
Технологиченый чертеж.pdf

Вам все понравилось? Получите кэшбэк - 40 рублей на Ваш счёт при покупке. Поставьте оценку и напишите положительный комментарий к купленному файлу. После Вы получите деньги на ваш счет.
Комментарии

alex.deli: Добрый день! Возможно ли сделать другой вариант данного задания с другими значениями?
Здравствуйте! К сожалению, не смогу

Добрый день! Возможно ли сделать другой вариант данного задания с другими значениями?