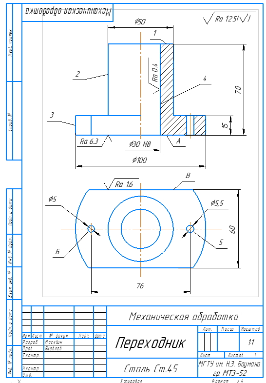
Для студентов МГТУ им. Н.Э.Баумана по предмету Технология конструкционных материалов (ТКМ)Механическая обработка заготовок деталей машин - ПереходникМеханическая обработка заготовок деталей машин - Переходник
5,0055
2016-12-052024-09-01СтудИзба
ДЗ 3: Механическая обработка заготовок деталей машин - Переходник вариант 51
-51%
Описание
Содержание
- 1. Анализ исходный данных.
- 2. Выбор исходной заготовки.
- 3.Выбор технологических методов и видов обработки поверхности и режущего инструмента.
- 4.Оценка технологичности конструкции детали с учётом выбранных видов обработки и режущих инструментов.
- 5.Анализ исходных поверхностей А, Б, В с учётом отработки конструкции на технологичность.
- 6.Выбор вида обработки указанных поверхностей.
- 7.Технологическая реализация обработки поверхности.
Чертежи
- Исходная деталь
- Технологическая деталь
- Обработка заданных поверхностей
Характеристики домашнего задания
Учебное заведение
Номер задания
Вариант
Программы
Просмотров
2078
Качество
Идеальное компьютерное
Размер
180,05 Kb
Список файлов
Механическая обработка заготовок деталей машин - Переходник
A.cdw
Б.cdw
В.cdw
Исходная деталь.cdw
Механическая обработка заготовок деталей машин - Переходник.docx
Технологическая деталь.cdw

Вам все понравилось? Получите кэшбэк - 40 рублей на Ваш счёт при покупке. Поставьте оценку и напишите положительный комментарий к купленному файлу. После Вы получите деньги на ваш счет.