Для студентов МГТУ им. Н.Э.Баумана по предмету Технология конструкционных материалов (ТКМ)Механическая обработка заготовок деталей машин - ПолзунМеханическая обработка заготовок деталей машин - Ползун
5,0058
2013-10-202024-09-01СтудИзба
ДЗ 3: Механическая обработка заготовок деталей машин - Ползун вариант 39
-51%
Описание
Содержание
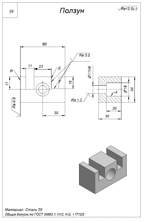
Задание- Для поверхностей А, Б, В, указанных на чертеже, выбрать методы и способы их обработки согласно требованиям и точности размеров и шероховатости поверхности, установленным чертежом детали.
- С учётом типа производства или объёма выпуска для выбранных способов обра-ботки поверхностей назначить и обеспечить тип оборудования, режущего инструмен-та; составить схемы обработки этих поверхностей и разработать последовательность обработки каждой из поверхностей, начиная от заготовки.
- По чертежу детали оценить технологичность конструкции и дать свои предложе-ния по технологичности.
- Назначить эскиз изменённой конструкции детали.
- Тип производства: единичное,
- Заготовка: лист проката,
- Материал: Сталь20.
Характеристики домашнего задания
Учебное заведение
Номер задания
Вариант
Программы
Просмотров
1225
Качество
Идеальное компьютерное
Размер
290,22 Kb
Список файлов
Механическая обработка заготовок деталей машин - Ползун.doc
Чертежи.dwg

Вам все понравилось? Получите кэшбэк - 40 рублей на Ваш счёт при покупке. Поставьте оценку и напишите положительный комментарий к купленному файлу. После Вы получите деньги на ваш счет.