Для студентов МГТУ им. Н.Э.Баумана по предмету Технология конструкционных материалов (ТКМ)Разработка технологии изготовления отливок - КрышкаРазработка технологии изготовления отливок - Крышка
5,0059
2013-10-202024-09-01СтудИзба
ДЗ 1: Разработка технологии изготовления отливок - Крышка вариант 3
-51%
Описание

Содержание
- Задание и исходные данные
- 1. Анализ чертежа детали.
- 2. Выбор способа изготовления отливки.
- 3.Составление чертежа элементов литейной формы.
- 3.1Выбор положения отливки во время заливки.
- 3.2 Выбор припуска на механическую обработку.
- 3.3Выбор величины формовочных уклонов.
- 3.4Определение радиусов скруглений.
- 3.5 Определение границ стержней и размеров стержневых знаков.
- 4. Проектирование литниковой системы.
- 5. Проверка технологичности литой заготовки.
Чертежи
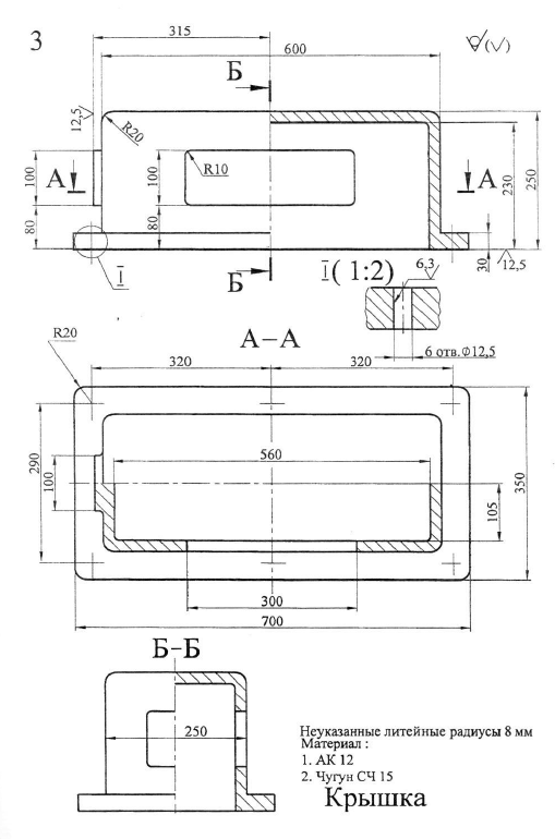
- Исходная деталь
- Отливка
- Литейная форма

Характеристики домашнего задания
Учебное заведение
Номер задания
Вариант
Просмотров
1226
Качество
Идеальное компьютерное
Размер
149,39 Kb
Список файлов
Разработка технологии изготовления отливок - Крышка
Разработка технологии изготовления отливок - Крышка.doc
Чертежи.dwg
Чертежи.frw

Вам все понравилось? Получите кэшбэк - 40 рублей на Ваш счёт при покупке. Поставьте оценку и напишите положительный комментарий к купленному файлу. После Вы получите деньги на ваш счет.