Для студентов МГТУ им. Н.Э.Баумана по предмету Сопротивление материаловСтатически определимые балкиСтатически определимые балки
5,00519
2023-11-212024-12-08СтудИзба
ДЗ 3: Статически определимые балки вариант 3
-55%
Описание
Зачтено на максимальный балл🌞🌞🌞
Спасибо за покупку 😍 😍😍😍😍
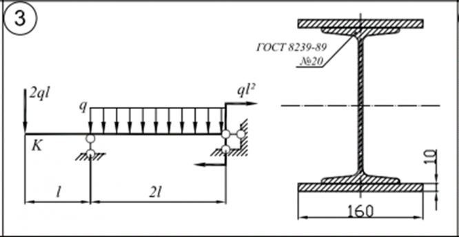
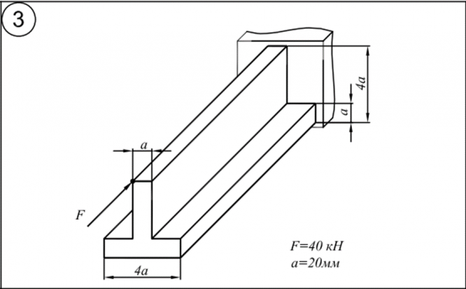
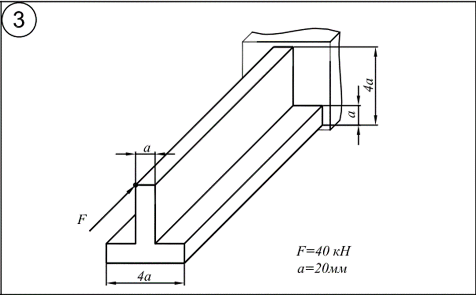
Задача 4.1



Пример решения
Задача 4.1




Характеристики домашнего задания
Предмет
Учебное заведение
Семестр
Номер задания
Вариант
Программы
Теги
Просмотров
226
Качество
Идеальное компьютерное
Размер
247,85 Kb
Список файлов
Вариант 3 - задача 4-1.docx
Вариант 3 - задача 4-2.docx

Ваше удовлетворение является нашим приоритетом, если вы удовлетворены нами, пожалуйста, оставьте нам 5 ЗВЕЗД и позитивных комментариев. Спасибо большое!. Смотрите файлы в моем профиле, там есть много полезных !