Для студентов МГТУ им. Н.Э.Баумана по предмету Технология энергомашиностроенияДомашнее задание №2 - Вал-шестерняДомашнее задание №2 - Вал-шестерня
5,0056
2021-05-062024-09-03СтудИзба
ДЗ 2: Домашнее задание №2 - Вал-шестерня
-66%
Описание
Введение
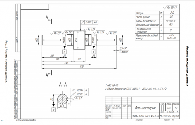
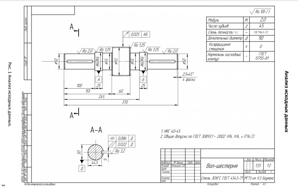
Заданная деталь – вал-шестерня из материала 30ХГС, играет роль паразитной шестерни, служит для передачи крутящего момента в силовой коробке, а также входит в состав различных редукторов, мультипликаторов и других передач. Наиболее важное значение для работы передачи имеют опорные шейки вала и поверхности, формирующие зубчатый венец. С целью повышения эксплуатационных характеристик, деталь подвергают дополнительной термообработке. Конструкция детали не предусматривает центровых отверстий, однако они совершенно необходимы в техпроцессе изготовления детали в качестве вспомогательной чистовой установочной технологической базы. Деталь достаточно технологична, допускает применение высокопроизводительных режимов обработки. Конструкция детали проста, не требует применения специнструмента и спецприспособлений.
Заданная деталь – вал-шестерня из материала 30ХГС, играет роль паразитной шестерни, служит для передачи крутящего момента в силовой коробке, а также входит в состав различных редукторов, мультипликаторов и других передач. Наиболее важное значение для работы передачи имеют опорные шейки вала и поверхности, формирующие зубчатый венец. С целью повышения эксплуатационных характеристик, деталь подвергают дополнительной термообработке. Конструкция детали не предусматривает центровых отверстий, однако они совершенно необходимы в техпроцессе изготовления детали в качестве вспомогательной чистовой установочной технологической базы. Деталь достаточно технологична, допускает применение высокопроизводительных режимов обработки. Конструкция детали проста, не требует применения специнструмента и спецприспособлений.




Файлы условия, демо
Характеристики домашнего задания
Учебное заведение
Номер задания
Просмотров
118
Размер
1,71 Mb
Список файлов
Домашнее задание №2 - Вал-шестерня.pdf

Друзья, спасибо за доверие! Если вам понравилась работа – поставьте 5⭐ и напишите отзыв. Это поможет другим студентам, а мне даст силы делать ещё больше качественных материалов для вас 🔥