Для студентов МГТУ им. Н.Э.Баумана по предмету Технология электронного машиностроения (МТ-11)ДЗ 1 вариант 1ДЗ 1 вариант 1
5,0051
2022-06-042024-09-06СтудИзба
ДЗ 1: ДЗ 1 вариант 1 вариант 1
-43%
Описание
Не только копировать, а нужно понимать!
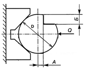
Заготовка диаметром D = 26h9 базируется в соответствие с приведенной схемой. Угол призмы – 90°. Рассчитать погрешность базирования при фрезеровании уступа с размером А = 4 мм.


Характеристики домашнего задания
Учебное заведение
Семестр
Номер задания
Вариант
Программы
Просмотров
67
Качество
Идеальное компьютерное
Размер
101,32 Kb
Список файлов
1.docx

Привет всем! Я автор на Студизбе. Я надеюсь что, не только дам Вам файлы с ответом но и знание. Не только копировать, а нужно понимать! Вставьте 5 звезд и позитивные комментарии сразу дам Вам подарок