Для студентов МГТУ им. Н.Э.Баумана по предмету Технология электронного машиностроения (МТ-11)ДЗ 1 Вариант 4ДЗ 1 Вариант 4
5,0053
2022-06-032024-09-06СтудИзба
ДЗ: ДЗ 1 Вариант 4 вариант 4
-43%
Описание
Не только копировать, а нужно понимать!
![]()
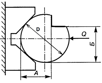
Заготовка диаметром D = 35h9 базируется в соответствие с приведенной схемой. Угол призмы – 90°. Рассчитать погрешность базирования при фрезеровании уступа с размером А = 28 мм.

Характеристики домашнего задания
Учебное заведение
Семестр
Вариант
Программы
Просмотров
62
Качество
Идеальное компьютерное
Размер
111,73 Kb
Список файлов
1_2.docx

Привет всем! Я автор на Студизбе. Я надеюсь что, не только дам Вам файлы с ответом но и знание. Не только копировать, а нужно понимать! Вставьте 5 звезд и позитивные комментарии сразу дам Вам подарок