Для студентов МГТУ им. Н.Э.Баумана по предмету Технология электронного машиностроения (МТ-11)ДЗ1 по ТЭМ вариант 2.ДЗ1 по ТЭМ вариант 2.
5,0051
2022-05-302024-09-06СтудИзба
ДЗ 1: ДЗ1 по ТЭМ вариант 2. вариант 2
-43%
Описание
Не только копировать, а нужно понимать!
![]()
Задание
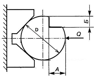
Заготовка диаметром D = 26h9 базируется в соответствие с приведенной схемой. Угол призмы – 90°. Рассчитать погрешность базирования при фрезеровании уступа с размером А = 6 мм.

Характеристики домашнего задания
Учебное заведение
Семестр
Номер задания
Вариант
Программы
Просмотров
70
Качество
Идеальное компьютерное
Размер
139,95 Kb
Список файлов
dz1.docx

Привет всем! Я автор на Студизбе. Я надеюсь что, не только дам Вам файлы с ответом но и знание. Не только копировать, а нужно понимать! Вставьте 5 звезд и позитивные комментарии сразу дам Вам подарок