Для студентов МГТУ им. Н.Э.Баумана по предмету Технология и оборудование нанесения покрытий (МТ-3)Технология покрытия осьТехнология покрытия ось
4,88560
2021-06-272021-06-27СтудИзба
Курсовая работа: Технология покрытия ось
Описание
Характеристики курсовой работы
Учебное заведение
Просмотров
12
Размер
452,61 Kb
Список файлов
дисциплину Технология нанесения покрытий
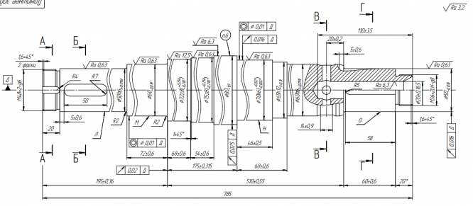
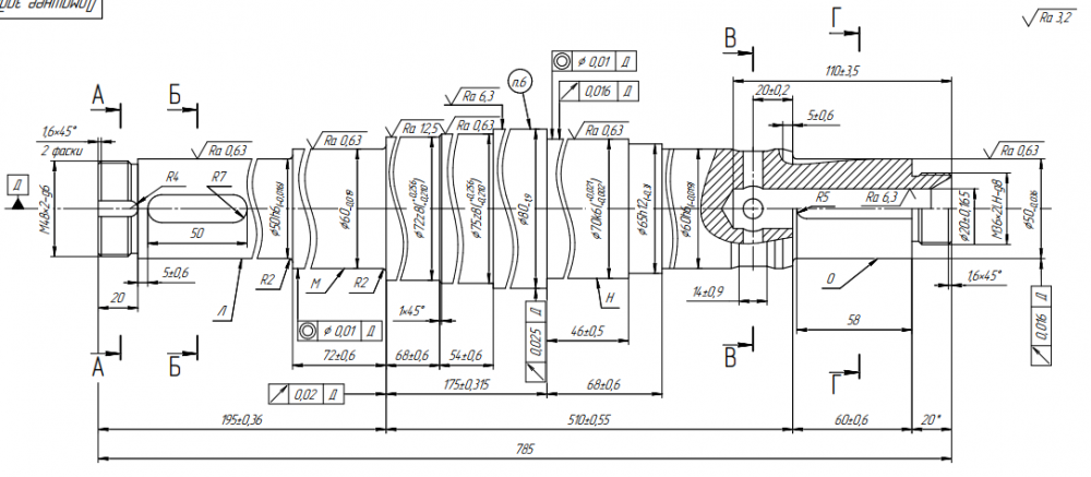
Деталь.pdf
Листы Обезжиривания .pdf
РПЗ.pdf
Комментарии
Нет комментариев
Стань первым, кто что-нибудь напишет!

МГТУ им. Н.Э.Баумана


















