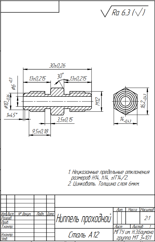
Для студентов МГТУ им. Н.Э.Баумана по предмету Технология и оборудование нанесения покрытий (МТ-3)Технология покрытия Ниппель проходнойТехнология покрытия Ниппель проходной
5,0051
2021-06-272021-06-27СтудИзба
Курсовая работа: Технология покрытия Ниппель проходной
Описание
Характеристики курсовой работы
Учебное заведение
Просмотров
15
Размер
756,17 Kb
Список файлов
Технология и оборудование нанесения покрытий
5f884f38-729f-4218-81b7-9909c8d7b9aa.pdf
e57222ff-ede9-b126-f4f4-20df260b4176.pdf
Деталь.pdf
Обезжиривание химическое.pdf
РПЗ.pdf
Комментарии
Нет комментариев
Стань первым, кто что-нибудь напишет!

МГТУ им. Н.Э.Баумана

















