Курсовая работа: ТЕХНОЛОГИЯ БЕТОННЫХ РАБОТ
Описание
СОДЕРЖАНИЕ
II.ОПРЕДЕЛЕНИЕ СОСТАВА И ОБЪЕМА РАБОТ.. 3
1.Простые процессы при изготовлении железобетонного фундамента 3
3.Подсчет объемов арматурных работ. 4
1.Выбор земельного сооружения. 8
3.Технико-экономическое сравнение вариантов. 11
IV.ТЕХНОЛОГИЯ И ОРГАНИЗАЦИЯ РАБОТ.. 15
1.Технология опалубочных работ. 15
2.Технология арматурных работ. 15
3.Технология бетонных работ. 16
4.Уплотнение бетонной смеси. 17
5.Уход за уложенным бетоном.. 17
6.Указания к ведению работ. 18
V.ОПРЕДЕЛЕНИЕ ТРУДОВЫХ ЗАТРАТ И ЗАРАБОТНОЙ ПЛАТЫ... 20
VI.РАЗРАБОТКА ЛИНЕЙНОГО ГРАФИКА ПРОИЗВОДСТВА РАБОТ.. 23
VII. РАСЧЕТ СОСТАВА БРИГАДЫ... 24
VIII.ВЫБОР ВСПОМОГАТЕЛЬНЫХ МАШИН И МЕХАНИЗМОВ.. 26
IX.МАТЕРИАЛЬНО-ТЕХНИЧЕСКИЕ РЕСУРСЫ... 28
X.РАЗРАБОТКА СИСТЕМЫ КОНТРОЛЯ КАЧЕСТВА.. 31
XI.МЕРОПРИЯТИЯ ПО ОХРАНЕ ТРУДА И ТЕХНИКИ БЕЗОПАСНОСТИ33
XII. ТЕХНИКО-ЭКОНОМИЧЕСКИЕ ПОКАЗАТЕЛИ.. 35
- ИСХОДНЫЕ ДАННЫЕ
Вариант №48
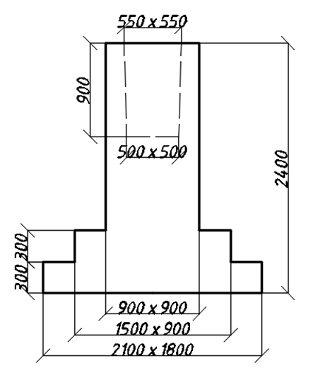
1. Длинна здания – 120 м | 8. Объем бетона на 1 фундамент – 8,6 м3 |
2. Ширина здания – 54 м | 9. Объем стакана – 0,25 м3 |
3. Размер пролета – 18 м | 10. Сечение колонны – 300х300 мм |
4. Шаг колонн – 6 м | 11. Вид грунта - песок |
5. Марка фундамента – ФА12-6 | 12. Дальность транспортирования – 4,5 км |
6. Количество – 21х4=84 | 13. Вид дорожного покрытия - бетонное |
7. Размер стакана под колонну: глубина – 900 мм, понизу – 500х500, поверху – 550х550 | |
Рис. 1. План фундамента здания

Рис. 2. Эскиз фундамента
КузГТУ им. Горбачева
vitalievnatalia

















