Курсовая работа: Расчет устройства защитного заземления
Описание
Вариант № 14
Содержание
Введение…………………………………………………………………………...2
1.Исходные данные……………….……………………….…....................….......3
2. Определение нормирующего сопротивления……...………............................4
3.Определение удельного сопротивление грунта………...………………….....5
4. Расчет параметров вертикальных заземлителей ..……...………………........6
4.1. Расчет сопротивления растекания тока одного вертикального заземлителя……………………..…………………………………………............7
4.2. Расчет количества стержней заземления…………………...…………….....8
4.3. Определение расстояния между стержнями………………….……...……..9
5. Длина горизонтальной соединительной полосы…………………….…...…10
6.Расчет сопротивления растекания тока горизонтального заземлителя……………………....…………………………….……...………....11
7.Расчет результирующего сопротивления горизонтального заземляющего устройства……………..…………………………………………………………12
8.Определение сопротивления заземляющего проводника, проложенного земле……………………………………………………………..………….….....13
9. Параметры заземляющего проводника, проложенного в здании …..……..14
9.1 Определение сечения заземляющего проводника, проложенного в здании..……………………………………...…………………………..………..15
9.2 Определение расчетной длины заземляющего проводника, проложенного в здании……………………………………………………...……………….…..16
9.3 Определение сопротивления заземляющего проводника, проложенного в земле…………………………………….………..……………………………....17
10. Полное сопротивление системы защитного заземления……………….....18
11. Выбор наконечника для заземляющего проводника ……………………..19
12. Сводная ведомость затрат…………………………………………………..20
Заключение …………..……………………...……….………..……………….22
Приложение 1…………………………...……….……………………….……....23
Приложение 2. ……………………………….……………………………..……24
Приложение 3…….….………………………………. ………...………………..25
Приложение 4...………………………………………………….………….....…26
Приложение 5...…….…………………………………………….………....…....27
Приложение 6…...…………………………………………………….……….…28
Приложение 7...….…………………………………………….....................…....29
Приложение 8…....…………………………………………….....................…....30
Приложение 9…...………….………………………………….....................…....31
Список используемой литературы………………….…………………….…….32
Введение
В различных частях электрических установок возможны пробои и замыкания на металлические корпусы двигателей, пускателей, светильников, оболочек кабелей, стальных труб проводки и т.п. Вследствие этого металлические нетоковедущие части оборудования, не находящиеся под напряжением могут оказаться под током и представлять опасность в случае прикосновения к ним людей.
Назначение защитного заземления - снизить до безопасного значения напряжение относительно земли на металлических частях электрооборудования, оказавшегося под напряжением из-за нарушения изоляции, и предотвратить поражение людей электрическим током при прикосновении их к электрооборудованию. Для обеспечения защиты человека используется УЗО и дифференциальные автоматы, для срабатывания которых необходимо наличие защитного заземления.
В курсовом проекте требуется произвести расчеты и проектировка заземления для электроустановок в количестве 6шт., расположенных в помещении, имеющего размеры: 40м х 20м. Электроустановки представляют из себя трансформаторы трехфазного переменного тока напряжением 380 В, мощностью 140 кВт, помещение расположено в климатической зоне III, города Курск, с грунтом – садовая земля.
Цель расчета защитного заземления: определить основные параметры заземления – число, размеры и порядок размещения одиночных заземлителей и заземляющих проводников, при которых напряжения прикосновения и шага в период замыкания фазы на заземленный корпус не превышают допустимых значений.
Для достижения поставленной цели в работе поставлена следующая задача: Провести расчеты и составить проект искусственного защитного заземления помещений, в которых производится испытание электрооборудования.
1. Исходные данные
Таблица 1
Заданные параметры | Вариант | |
14 | ||
Грунт | Садовая земля | |
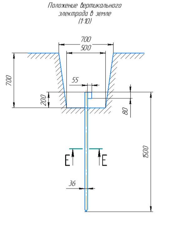
| Размеры вертикальных заземлителей | Длина из уголков, м | 1,5 |
Размер уголка, м | 0,036 | |
Размеры горизонтального заземлителя | Ширина, м | 0,055 |
Толщина, м | 0,08 | |
Размеры помещения электроустановок | Ширина, м | 40 |
Толщина, м | 20 | |
Климатическая зона | III | |
Мощность трансформатора, кВт | 140 | |
Количество электроустановок в помещении | 6 | |
Район расположения | Курск | |
Рис. 1.1 Сечение уголка вертикального заземлителя

Рис. 1.2 Схема расположения стержня вертикального заземлителя в грунте
РГАТУ им. Соловьёва
all_at_700

















