Для студентов МГТУ им. Н.Э.Баумана по предмету Сопротивление материаловЗадача 1.1Задача 1.1
5,0052
2025-08-252025-08-25СтудИзба
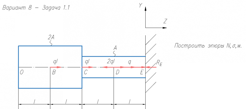
Задача 1.1 вариант 8
-40%
Описание
Характеристики решённой задачи
Предмет
Учебное заведение
Семестр
Номер задания
Вариант
Программы
Теги
Просмотров
17
Качество
Идеальное компьютерное
Размер
107,47 Kb
Преподаватели
Список файлов
Вариант 8 - Задача 1.1.pdf

Вам все понравилось? Получите кэшбэк - 40 рублей на Ваш счёт при покупке. Поставьте оценку и напишите положительный комментарий к купленному файлу. После Вы получите деньги на ваш счет.